Newsroom
Press releases
Aktuelles
Blog
Trade fairs and events
Newsletter
Careers
Current vacancies
Experienced Professional
Downloads
Engineering apps
Engineering data
Engineering Software tools
Product-related Application Knowledge Base articles
Product-related documentation
Certificates and declarations
Online Tools
EASY Product Finder
Drive Sizing
Machine Design
CAD Configurator
M-n curves
Smart Conveyor Calculator
Contact
Lenze in Germany
Lenze worldwide
Contact form
Deutschland (Germany)
Deutsch
English
Change country
Products
IIoT
Controllers
Inverters
Geared motors
Motors
Gearboxes
Accessories
Software
Lenze FAST Application Software
Lenze Selection
Solutions
Systems
Our hardware
X4 Remote
Motion Control
IT meets OT
Automation
Functional safety
Our hardware
Our software
NUPANO Open Automation Platform
OEE & Downtime Tracking
Machine Visualization
Engineering Suite
SMART Engineering apps
Our software
Our brainware
Digital Solutions
Condition monitoring
Digital Twin
Lenze Engineering services
Lenze Performance Partner
Our brainware
Systems
Mechatronics
Mechatronic Competence Campus
Decentralized Drive Packages
Energy efficiency
Smart Conveyor Story
Mechatronics
Brand Labeling
Industries
Automotive industry
References
Automotive industry
Battery Production
Converting and printing industry
References
Converting and printing industry
Vehicle washing
Airport logistics
Glass, stone and ceramics
Wood working
HVAC-R
Refrigeration engineering and heat pumps
Ventilation equipment
HVAC-R
Plastics industry
Courier Express Parcel
Warehouse logistics
Solutions Storage and retrieval machine
Warehouse logistics
Metalworking
Pumps
Robotics
Textile industry
References
Textile industry
Packaging industry
References
Packaging industry
Industries
References
Converting and printing industry
BST
Donghang Graphic Technology Inc.
DURST Group
D.W. Engineers
GIC
MAAN Engineering
Mendel RG Systems
Nikelman Printing press
Relinquo Automation Pvt. Ltd.
Suddha Machineries and Industries PVT LTD
Converting and printing industry
Airport logistics
Courier, Express & Parcel
Warehouse logistics
bonArea
Stöcklin High-bay warehouse
Vectron
Witron Warehouse logistics
Warehouse logistics
Textile industry
Dilmenler
Gilbos
MBK and DMS Dilmenler
Menzel Compact washer
Monforts Textile machine
Nomaco Nonwoven machines
nsc.n schlumberger
Picanol Weaving machines
Pro-SMH
Texpro
Trigema and Xetma Vollenweider
Zimmer Austria
Textile industry
Packaging industry
Citus Kalix Packaging machine
DMK
Fricke Abfülltechnik
Kletec Egg processing machines
MAKRO MAKINA
Mondini
PAYPER
TechNikkels
Wolf Packaging machines
XOX Retrofit extruder
Packaging industry
Further industries
Bauer
HEGLA New Technology
KABTEC Test systems
Lisec
MFL
Schelling Sawing center
Weinig Grecon
Further industries
References
Solutions
Services
Aftersales services
Training
On-site training
E-Learning
Online training
Training
Engineering services
Cyber Security
Cyber Security Statements
Cyber Security
Software downloads
EASY Engineering tools
Engineering Apps
Engineering data
Software downloads
Knowledge base
Application Knowledge Base
Product-related documentation
Company-related documentation
Knowledge base
Product-Lifecycle-Management
X4 Remote Support
Services
Support
Company
Group of companies
Our approach
Promise of quality
Industry 4.0
Our approach
Our responsibility
Employee responsibility
Social responsibility
Our responsibility
Our corporate culture
Our management
Our history
History Lenze
100 years Elisabeth Belling
Our history
Group of companies
Global presence
Africa
Lenze in South Africa
Africa
Americas
Lenze in Brazil
Lenze in Canada
Lenze in Mexico
Lenze in the Americas
Americas
Asia
Lenze in China
Lenze in India
Lenze in Korea
Lenze in the Philippines
Lenze in Singapore
Lenze in Turkey
Asia
Northern Europe
Lenze in Denmark
Lenze in Finland
Lenze in Sweden
Northern Europe
Western and Central Europe
Lenze in Belgium
Lenze in Germany
Lenze in Estonia
Lenze in France
Lenze in Latvia
Lenze in Lithuania
Lenze in Austria
Lenze in the Netherlands
Lenze in Poland
Lenze in Switzerland
Lenze in United Kingdom
Western and Central Europe
Eastern Europe
Lenze in Bulgaria
Lenze in Macedonia
Lenze in Romania
Lenze in Russia
Lenze in Serbia
Lenze in Slovakia
Lenze in Slovenia
Lenze in Czech
Lenze in Hungary
Eastern Europe
Southern Europe
Lenze in Italy
Lenze in Croatia
Lenze in Macedonia
Lenze in Spain
Southern Europe
Global presence
Sustainability
WEEE Directive
Sustainability
Compliance
Newsroom
Press releases Lenze Group
Topicals
Blog
Trade fairs and events
Newsletter
Newsroom
Careers
Current vacancies
Current vacancies Germany
Current vacancies in Poland
Current vacancies Benelux and UK
Current vacancies Switzerland
Current vacancies USA
Current vacancies China
Current vacancies
Working at Lenze
We are Lenze
Offers for students
Experienced professionals
Careers
Global Procurement
Company
Deutschland (Germany)
Deutsch
English
Change country
Home
Application Knowledge Base
Article
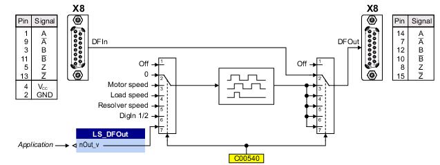
LS-DFOUT ? digital frequency output via X8
LS-DFOUT ? digital frequency output via X8
Which products are affected?
Inverter Drives 8400 TopLine from firmware version 12.00.00.00
Functional description
Output of a complementary A-B- track signal with a Z-pulse for simulation of a
TTL encoder signal up to max. 500kHz at X8.
Applications
Master value output in the form of a TTL signal.
URL for linking this AKB article:
https://www.lenze.com/en-de/go/akb/201301080/1/
Meta data
Taxonomy: 8400 TopLine frequency inverters
AKB-ID: 201301080
Last update: 2023/09/13
Category: Version Informations
Lenze reserves the right to change information on this page at any time. Any liability for the accuracy of the information is excluded.
©
Change location
Imprint
Privacy policy
Terms of use
Contact form