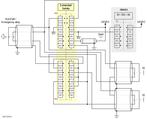
If the emergency stop button (I1A, I1B) is pushed, the current positioning is cancelled and the motor returns to the starting position 0 units. STO is then activated in a time-controlled manner. A restart must then be acknowledged with (Re-)start acknowledge (AIS).
As soon as the home position is available, the motor moves to the position 100 units with positioning profile 2 when the two two-hand buttons S1 and S2 are pressed. If at least one button of the two-hand control is released before the position is reached, the motor moves back to the starting position 0 units with positioning profile 1 after an Abort command.
If at least one two-hand button is released when the position 100 units has been reached, the motor moves to the position 120 units with positioning profile 4 and then moves back to the starting position 0 units with positioning profile 1 after a short waiting time.
If a discrepancy time of more than 500ms elapses between the actuation of the two control elements, an error is activated in Extended Safety. This is entered in the i950 logbook as a warning each time. After releasing both actuators, the error is automatically acknowledged. DO1 of the i950 is normally ON, and oscillates (period 1s) in case of an error. Thus both required edges for AIE are generated.
The NC and NO contacts of the two-hand buttons S1 and S2 are checked for antivalence in the program. If they do not match, an error is set after 1s.
Safety information / disclaimer
The safety application and parameterisation notes are examples of possible subfunctions in machines.
The T10D value according to DIN EN ISO 13849-1, Annex C.4.2 is only indicated if a B10D value is available and the operating time is less than 20 years.
Commissioning is prohibited until the machine has been checked in accordance with the regulations set out in the relevant EU directives / national laws.
The safety instructions contained in the technical documentation must be observed.
Using the examples does not exempt the user from careful project planning. For possible damages and consequential damages Lenze assumes no liability to the extent permitted by law.
Copyright 2022 Lenze SE