Application:
Mains supply of 400 V-inverters with any 2-pole mains voltage without restriction of the usable motor power
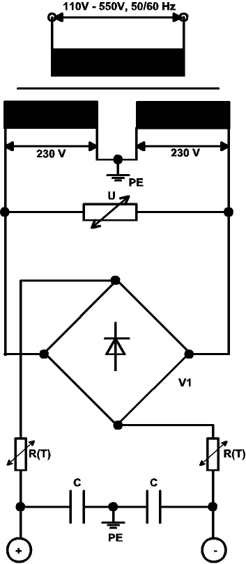
Description:
In the mains supply the following additional components are required:
1. Isolation transformer: Prim. 1x 230 V or current voltage, Sek.2 x 230 V with centre tap (power see table below)
2. Protection varistor, rated voltage 510 V, at least 2 W (e. g. SIOV S20k510)
3. Bridge rectifier, rated voltage at least 1.600 V (rated current see table)
4. According to the device power between 2x one and 2x three (in a row) NTC-resistors (data and quantity see table)
5. 2 x DC-bus capacitors, rated voltage 400 V DC (capacity see table)
Prated Motor Prated Transformer Irated rectifier(min) NTC-restistors R/I DC-bus capacitor
1.5 kW 4.0 kVA 16 A 2 x 20 Ohm / 8 A 2 x 1.1 mF
2.2 kW 5.0 kVA 20 A 2 x 10 Ohm / 15 A 2 x 1.5 mF
3.0 kW 7.5 kVA 25 A 2 x 10 Ohm / 15 A 2 x 2.2 mF
4.0 kW 10.0 kVA 35 A 2 x 5.0 Ohm / 20 A 2 x 3.3 mF
5.5 kW 12.5 kVA 50 A 4 x 2.0 Ohm / 25 A 2 x 3.6 mF
7.5 kW 15.0 kVA 50 A 6 x 1.0 Ohm / 30 A 2 x 4.4 mF
11.0 kW 20.0 kVA 75 A 4 x 1.0 Ohm / 40 A 2 x 6.6 mF
The additional components has to be connected according to the following diagram:
