9400 with SM301 and SM100 - Safe stop 1 and control of SM100 by SM301 with electrical shaft - performance level e


Function:
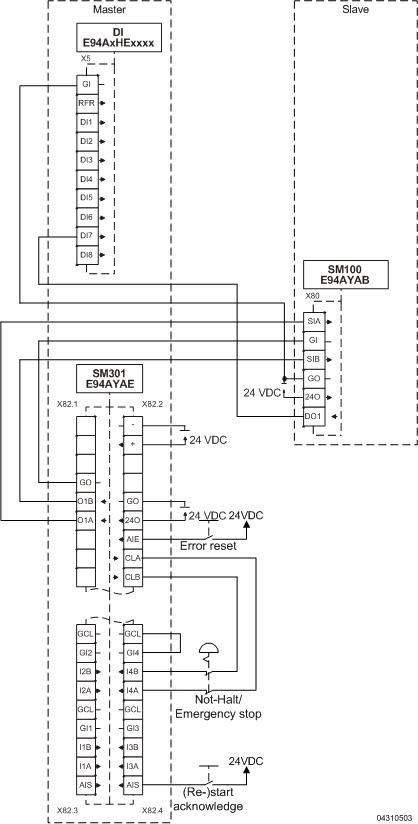
When the safety function is requested, the motors are stopped according to stop category 1 of EN 60204-1. The slave follows the master along the stop ramp of the virtual master.
The value to be set depends on the application.

 

Since the SM100 does not contribute to the probability of failure on demand (PFD) and to the probability of failure per hour (PFH), the feedback DO1 needs not be used. All safety-relevant errors that can occur in the SM100 result in the safe state. Faults have been excluded for protected cables (according to DIN EN ISO 13849-2:2003-12 and IEC 61800-5-2:2007-07). This applies to cables which are protected by a cable duct and installed inside the control cabinet.

The feedback output DO1 of the slave's SM100 has to stop the master's virtual master via the digital input DI7. This is required in order to stop the master until enabling of the SM100.
The feedback output DO1 of the SM100 is not part of the safety-relevant interconnection.

As soon as STO is activated at the master, the SM100 of the slave will be switched off.

Safety information / disclaimer:

The safety application and parameterisation notes are examples of possible subfunctions in machines.

The T10D value according to DIN EN ISO 13849-1, Annex C.4.2 is only indicated if a B10D value is available and the operating time is less than 20 years.
 
Commissioning is prohibited until the machine has been checked in accordance with the regulations set out in the relevant EU directives / national laws.
 
The safety instructions contained in the technical documentation must be observed.
 
Using the examples does not exempt the user from careful project planning. For possible damages and consequential damages Lenze assumes no liability to the extent permitted by law.
 
Copyright 2019 Lenze Automation GmbH

URL for linking this AKB article: https://www.lenze.com/en-de/go/akb/200704514/1/
Contact form