Newsroom
Pressemitteilungen
Aktuelles
Blog
Messen und Events
Newsletter
Karriere
Stellenangebote
Angebote für Schüler
Angebote für Studenten
Angebote für Berufserfahrene
Downloads
Engineering Apps
Engineering Daten
Engineering software tools
Produktbezogene Application Knowledge Base Artikel
Produktbezogene Dokumentation
Zertifikate und Erklärungen
Online Tools
EASY Product Finder
Antriebsauslegung
Maschinenlösung
CAD Konfigurator
M-n Kennlinien
Smart Conveyor Calculator
Kontakt
Lenze in Deutschland
Lenze weltweit
Kontaktformular
Deutschland (Germany)
Deutsch
English
Land wechseln
Produkte
IIoT
Steuerungen
Umrichter
Getriebemotoren
Motoren
Getriebe
Zubehör
Software
Lenze FAST Application Software
Lenze Selection
Lösungen
Systeme
Unsere Hardware
X4 Remote
Motion Control
IT meets OT
Automation
Sicherheitstechnik
Unsere Hardware
Unsere Software
NUPANO Open Automation Platform
OEE & Downtime Tracking
Maschinenvisualisierung
Engineering Suite
SMART Engineering Apps
Unsere Software
Unsere Brainware
Digital Solutions
Condition Monitoring
Digitaler Zwilling
Lenze Engineering Service
Lenze Performance Partner
Unsere Brainware
Systeme
Mechatronik
Mechatronic Competence Campus
Dezentrale Drive Packages
Energieeffizienz
Smart Conveyor Calculator
Mechatronik
Brand Labeling
Branchen
Automobilindustrie
Referenzen
Automobilindustrie
Batterieproduktion
Converting- und Druckindustrie
Referenzen
Converting- und Druckindustrie
Fahrzeug-Waschanlagen
Flughafenlogistik
Glas, Stein und Keramik
Holzbearbeitung
HVAC-R
Kältetechnik und Wärmepumpen
Lüftungstechnik und Ventilationstechnik
HVAC-R
Kunststoffindustrie
Kurier Express Paket
Lagerlogistik
Lösungen Regalbediengeräte
Lagerlogistik
Metallbearbeitung
Pumpen
Robotics
Textilindustrie
Referenzen
Textilindustrie
Verpackungsindustrie
Referenzen
Verpackungsindustrie
Branchen
Referenzen
Converting und Druckindustrie
BST
Donghang Graphic Technology Inc.
DURST Group
D.W. Engineers
GIC
MAAN Engineering
Mendel RG Systems
Nikelman Druckmaschine
Relinquo Automation Pvt. Ltd.
Suddha Machineries and Industries PVT LTD
Converting und Druckindustrie
Flughafenlogistik
Kurier Express Paket
Lagerlogistik
bonArea
Stöcklin Hochregallager
Vectron
Witron Lagerlogistik
Lagerlogistik
Textilindustrie
Dilmenler
Gilbos
MBK und DMS Dilmenler
Menzel Kompaktwaschanlage
Monforts Textilmaschinen
Nomaco Faservliesmaschinen
nsc.n schlumberger
Picanol Webmaschinen
Pro-SMH
Texpro
Trigema und Xetma Vollenweider
Zimmer Austria
Textilindustrie
Verpackungsindustrie
Citus Kalix Verpackungsmaschinen
DMK
Fricke Abfülltechnik
Kletec Eierverarbeitungsmaschinen
MAKRO MAKINA
Mondini
PAYPER
TechNikkels
Wolf Verpackungsmaschinen
XOX Retrofit Extruder
Verpackungsindustrie
Weitere Branchen
Bauer
HEGLA New Technology
KABTEC Prüfanlagen
Lisec
MFL
Schelling Sägezentrum
Weinig Grecon
Weitere Branchen
Referenzen
Lösungen
Service
Aftersales Service
Training
Präsenz Training
E-Learning
Online-Training
Training
Engineering service
Cyber Security
Cyber Security Statements
Cyber Security
Software Downloads
EASY Engineering Tools
Engineering Apps
Engineering Daten
Software Downloads
Knowledge Base
Application Knowledge Base
Produktbezogene Dokumentation
Unternehmensbezogene Dokumentation
Knowledge Base
Product-Lifecycle-Management
X4 Remote Support
Service
Support
Unternehmen
Unternehmensgruppe
Unser Ansatz
Qualitätsversprechen
Industrie 4.0
Unser Ansatz
Unsere Verantwortung
Verantwortung für Mitarbeiter
Gesellschaftliches Engagement
Hans und Clara Lenze Stiftung
Unsere Verantwortung
Unsere Kultur
Unser Management
Unsere Historie
Historie Lenze
100 Jahre Elisabeth Belling
Unsere Historie
Unternehmensgruppe
Globale Präsenz
Afrika
Lenze in Südafrika
Afrika
Amerika
Lenze in Brasilien
Lenze in Kanada
Lenze in Mexiko
Lenze in den USA
Amerika
Asien
Lenze in China
Lenze in Indien
Lenze in Korea
Lenze in den Philippinen
Lenze in Singapur
Lenze in der Türkei
Asien
Nordeuropa
Lenze in Dänemark
Lenze in Finnland
Lenze in Schweden
Nordeuropa
West- und Mitteleuropa
Lenze in Belgien
Lenze in Deutschland
Lenze in Estland
Lenze in Frankreich
Lenze in Lettland
Lenze in Litauen
Lenze in Österreich
Lenze in den Niederlanden
Lenze in Polen
Lenze in der Schweiz
Lenze im Vereinigten Königreich
West- und Mitteleuropa
Osteuropa
Lenze in Bulgarien
Lenze in Mazedonien
Lenze in Rumänien
Lenze in Russland
Lenze in Serbien
Lenze in der Slowakei
Lenze in Slowenien
Lenze in Tschechien
Lenze in Ungarn
Osteuropa
Südeuropa
Lenze in Italien
Lenze in Kroatien
Lenze in Mazedonien
Lenze in Spanien
Südeuropa
Globale Präsenz
Nachhaltigkeit
WEEE-Richtlinie
Nachhaltigkeit
Compliance
Newsroom
Presseinformationen Lenze-Gruppe
Aktuelles
Blog
Messen und Events
Newsletter
Newsroom
Karriere
Stellenangebote
Offene Stellen Deutschland
Offene Stellen in Polen
Offene Stellen Benelux und Vereinigtes Königreich
Offene Stellen Schweiz
Offene Stellen Tschechien
Offene Stellen USA
Offene Stellen China
Stellenangebote
Arbeiten bei Lenze
Wir sind Lenze
Angebote für Schüler
Ausbildung
Duales Studium
Berufsorientierung
Angebote für Schüler
Angebote für Studenten
Angebote für Berufserfahrene
Karriere
Global Procurement
Unternehmen
Deutschland (Germany)
Deutsch
English
Land wechseln
Home
Application Knowledge Base
Artikel
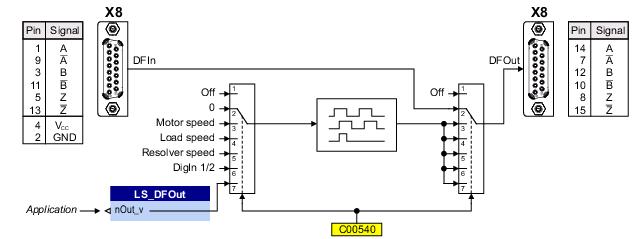
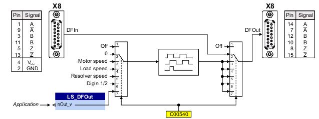
LS-DFOUT - Leitfrequenzausgang über X8
LS-DFOUT - Leitfrequenzausgang über X8
Betrifft welche Produkte?
Inverter Drives 8400 TopLine ab der Firmware-Version 12.00.00.00
Funktionsbeschreibung
Ausgabe eines komplementären A-B- Spursignals mit Z-Impuls zur Nachbildung eines
TTL-Gebersignals bis max. 500kHz an X8.
Anwendungen
Leitwertausgabe in Form eines TTL-Signals.
URL zur Verlinkung dieses AKB-Artikels:
https://www.lenze.com/de-de/go/akb/201301080/0/
Metadaten
Taxonomy: 8400 TopLine frequency inverters
AKB-ID: 201301080
Last update: 13.09.2023
Category: Versions-Informationen
Lenze reserves the right to change information on this page at any time. Any liability for the accuracy of the information is excluded.
©
Standort ändern
Impressum
Datenschutz
Nutzungsbedingungen
Kontaktformular