8400 motec mit SO10 - Sicher abgeschaltetes Moment an mehreren Achsen mit elektronischem Sicherheits-Schaltgerät - Performance Level e


Funktion:
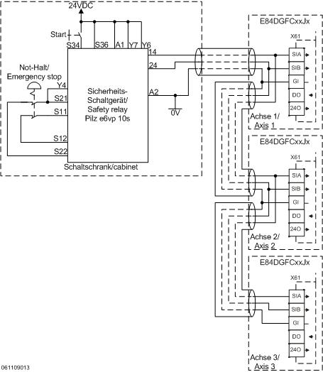
Die Motoren werden bei Anforderung der Sicherheitsfunktion nach Stopp-Kategorie 0 der EN 60204-1 abgeschaltet.

 

Fehlerausschlüsse wurden für geschützt verlegte Leitungen gemacht (nach DIN EN ISO 13849-2:2003-12 und IEC 61800-5-2:2007-07). Das gilt für Leitungen, die durch einen Kabelkanal geschützt, innerhalb eines Schaltschranks verlegt sind.

Annahme: Für die Leitungen zwischen Schaltschrank und den 8400 motecs kann bei diesem Beispiel kein mechanischer Fehlerausschluss gemacht werden.
Querschlüsse, die hier auftreten können, münden im sicheren Zustand.
Durch die Eingangskapazitäten von ca. 3 nF pro Kanal und Antriebsregler werden die Taktimpulse der OSSD-Ausgänge des Sicherheits-Schaltgerätes verschliffen.
Die Kapazitäten der Leitungen müssen selbstverständlich auch noch aufaddiert werden.

Werden weitere Antriebsregler verschaltet, werden die Impulse noch mehr verschliffen.
Bei mehr als drei Achsen können die Impulse bereits so stark verschliffen sein, dass die Spannungsunterbrechung während des Taktimpulses nicht mehr einwandfrei vom Sicherheits-Schaltgerät erkannt wird.
Ein Betrieb ist nicht mehr möglich, da das Sicherheits-Schaltgerät dies dann als Kurz- bzw. Querschluss der sicheren Ausgänge interpretiert und die Ausgänge abschaltet.

Durch Entladewiderstände an den OSSD-Ausgängen können die Kapazitäten während der Taktimpulse entladen werden. So werden die Taktimpulse wieder deutlicher vom Sicherheits-Schaltgerät erkannt.

Wenn für die Leitungen zwischen dem Sicherheits-Schaltgerät und den Antriebsreglern ein Fehlerausschluss angenommen werden kann, ist es auch möglich, die Kapazitäten durch Reihenschaltungen mit Dioden an den sicheren Ausgängen 14 und 24 von den OSSD-Ausgängen zu entkoppeln.

Da bei diesem Beispiel kein Fehlerausschluss angenommen wird, sollte keine Entkopplung durch Dioden vorgenommen werden, da dann keine Kurz- und Querschlussüberwachung auf den Leitungen mehr möglich ist.

Sicherheitshinweis / Haftungsausschluss:

Die Safety Applikations- und Parametrierhinweise sind Beispiele für mögliche  Teilfunktionen in Maschinen.

Die Angabe des T10D-Wertes gemäß DIN EN ISO 13849-1, Anhang C.4.2 erfolgt nur bei Vorliegen eines B10D–Wertes und bei einer Betriebszeit von weniger als 20 Jahren.
 
Die Inbetriebnahme ist solange untersagt, bis festgestellt wurde, dass die Maschine den Bestimmungen der relevanten EG-Richtlinien / nationalen Gesetze entspricht.
 
Die Sicherheitshinweise der technischen Dokumentationen sind zu beachten.
 
Die Nutzung der Beispiele entbindet den Anwender nicht von einer sorgfältigen Projektierung. Für mögliche Schäden und Folgeschäden übernimmt Lenze, soweit rechtlich zulässig, keine Haftung.
               
Copyright 2019 Lenze Drives GmbH

URL zur Verlinkung dieses AKB-Artikels: https://www.lenze.com/de-de/go/akb/201300486/0/
Kontaktformular