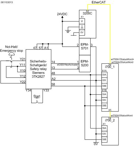
i700 mit Basic Safety - STO - Sicherer Stopp 1 an drei Achsen mit elektromechanischem Sicherheits-Schaltgerät - Performance Level d


Funktion:
Die Motoren werden bei Anforderung der Sicherheitsfunktion nach Stopp-Kategorie 1 der EN 60204-1 stillgesetzt.
Die SS1-Funktionalität ist im zu erstellenden Funktionsblock 'SS1_Control' umgesetzt worden. Der Funktionsblock wird für jede Achse instanziert.

 

Die Verzögerungszeit des Sicherheits-Schaltgerätes muss größer als die sich ergebenden QSP-Zeiten sein. Die Verzögerungen (Units/s2) werden über die lrQuickStopDec-Eingänge der L_SMC_AxisBasicControl vorgegeben. Toleranzen der Verzögerungszeit im Sicherheits-Schaltgerät müssen berücksichtigt werden.
Die einzustellenden Werte sind applikationsabhängig.
Fehlerausschlüsse wurden für geschützt verlegte Leitungen gemacht (nach DIN EN ISO 13849-2:2013-02 und IEC 61800-5-2:2008-04). Das gilt für Leitungen, die durch einen Kabelkanal geschützt, innerhalb eines Schaltschranks verlegt sind.

Alle gezeigten Achsen sind in demselben Gefahrenbereich installiert.

Sicherheitshinweis / Haftungsausschluss:

Die Safety Applikations- und Parametrierhinweise sind Beispiele für mögliche  Teilfunktionen in Maschinen.

Die Angabe des T10D-Wertes gemäß DIN EN ISO 13849-1, Anhang C.4.2 erfolgt nur bei Vorliegen eines B10D–Wertes und bei einer Betriebszeit von weniger als 20 Jahren.
 
Die Inbetriebnahme ist solange untersagt, bis festgestellt wurde, dass die Maschine den Bestimmungen der relevanten EG-Richtlinien / nationalen Gesetze entspricht.
 
Die Sicherheitshinweise der technischen Dokumentationen sind zu beachten.
 
Die Nutzung der Beispiele entbindet den Anwender nicht von einer sorgfältigen Projektierung. Für mögliche Schäden und Folgeschäden übernimmt Lenze, soweit rechtlich zulässig, keine Haftung.
                                              
Copyright 2019 Lenze Automation GmbH

URL zur Verlinkung dieses AKB-Artikels: https://www.lenze.com/de-de/go/akb/201207738/0/
Kontaktformular