9400 mit SM301 - Sicher abgeschaltetes Moment und sichere Bewegungsrichtung bei elektrisch betätigter Tür - Performance Level d


Funktion:
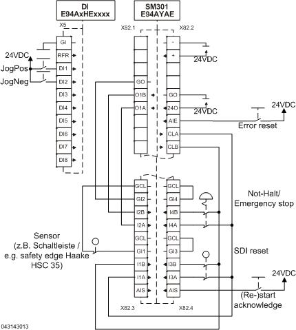
Der Motor wird bei Anforderung des Not-Halts nach Stopp-Kategorie 0 der EN 60204-1 abgeschaltet.

 

Zum Schließen der Tür wird der Motor in positiver Richtung, zum Öffnen in negativer Richtung verfahren.
Nach Loslassen der jeweiligen Tipptaste fällt bei Erreichen des Stillstands die Bremse ein.
Die Bewegung wird über die Digitaleingänge 1 und 2 des 9400 gesteuert.

Sicherheitshinweis / Haftungsausschluss:

Die Safety Applikations- und Parametrierhinweise sind Beispiele für mögliche  Teilfunktionen in Maschinen.

Die Angabe des T10D-Wertes gemäß DIN EN ISO 13849-1, Anhang C.4.2 erfolgt nur bei Vorliegen eines B10D–Wertes und bei einer Betriebszeit von weniger als 20 Jahren.
 
Die Inbetriebnahme ist solange untersagt, bis festgestellt wurde, dass die Maschine den Bestimmungen der relevanten EG-Richtlinien / nationalen Gesetze entspricht.
 
Die Sicherheitshinweise der technischen Dokumentationen sind zu beachten.
 
Die Nutzung der Beispiele entbindet den Anwender nicht von einer sorgfältigen Projektierung. Für mögliche Schäden und Folgeschäden übernimmt Lenze, soweit rechtlich zulässig, keine Haftung.
                                              
Copyright 2019 Lenze Automation GmbH

URL zur Verlinkung dieses AKB-Artikels: https://www.lenze.com/de-de/go/akb/201205197/0/
Kontaktformular