9400 mit SM301 - Sicher abgeschaltetes Moment und Betriebsartenumschaltung mit elektronischem Handrad - Performance Level e


Funktion:
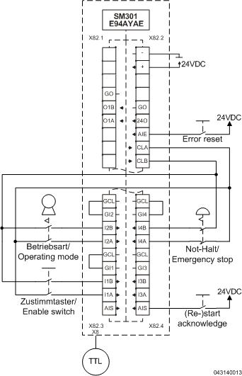
In diesem Beispiel wird bei Aktivierung des Sonderbetriebs sicher abgeschaltetes Moment aktiviert.
Wird im Sonderbetrieb der Zustimmtaster betätigt, wird sicher abgeschaltetes Moment aufgehoben und der Motor kann über das elektronische Handrad (TTL-Geber an X8) manuell mit sicher begrenzter Geschwindigkeit verfahren werden.
Bei Betätigung des Not-Halt-Tasters wird ebenfalls sicher abgeschaltetes Moment aktiviert.

 

Sicherheitshinweis / Haftungsausschluss:

Die Safety Applikations- und Parametrierhinweise sind Beispiele für mögliche  Teilfunktionen in Maschinen.

Die Angabe des T10D-Wertes gemäß DIN EN ISO 13849-1, Anhang C.4.2 erfolgt nur bei Vorliegen eines B10D–Wertes und bei einer Betriebszeit von weniger als 20 Jahren.
 
Die Inbetriebnahme ist solange untersagt, bis festgestellt wurde, dass die Maschine den Bestimmungen der relevanten EG-Richtlinien / nationalen Gesetze entspricht.
 
Die Sicherheitshinweise der technischen Dokumentationen sind zu beachten.
 
Die Nutzung der Beispiele entbindet den Anwender nicht von einer sorgfältigen Projektierung. Für mögliche Schäden und Folgeschäden übernimmt Lenze, soweit rechtlich zulässig, keine Haftung.
                                              
Copyright 2019 Lenze Automation GmbH

URL zur Verlinkung dieses AKB-Artikels: https://www.lenze.com/de-de/go/akb/201203777/0/
Kontaktformular