9400 mit SM301 - Sicher begrenzte Geschwindigkeit in Kategorie 4 - Performance Level e


Funktion:
In diesem Beispiel wird mit einer Sicherheits-SPS, ein weiterer Diagnose- und Abschaltpfad realisiert. Dies ist in Applikationen erforderlich, in denen nicht nur Performance Level e, sondern auch eine Kategorie-4-Struktur gefordert wird.

 

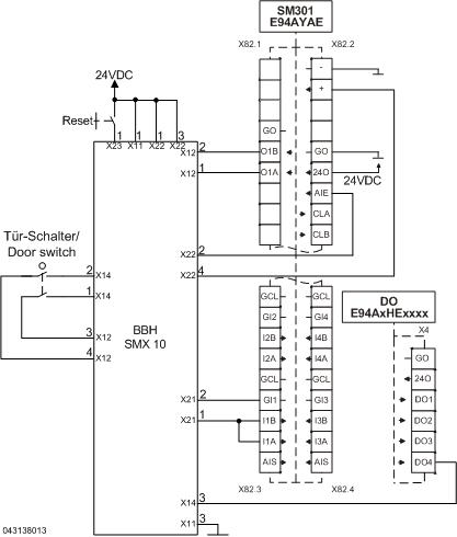
Bei Öffnen des Tür-Schalters wird im SM301 SLS1 über SD-In1 aktiviert. Gleichzeitig wird in der SMX10 die Zeitüberwachung gestartet. Sobald der Motor die im 9400 parametrierte SLS-Schwelle unterschritten hat, wird dies der SMX10 über High-Pegel von DO4 gemeldet.
Wird die SLS-Schwelle nicht unterschritten, wird im SM301 der Fehlerzustand und die Fehlerreaktion STO aktiviert. Zusätzlich wird die zu hohe Geschwindigkeit über Low-Pegel von DO4 an die SMX10 gemeldet, die über einen sicheren Ausgang die Versorgung des SM301 abschaltet.
Wird die SLS-Schwelle auf Grund eines unerkannten Fehlers im SM301 nicht unterschritten, erfolgt seitens des SM301 keine Fehlerreaktion. Die zu hohe Geschwindigkeit wird über Low-Pegel von DO4 an die SMX10 gemeldet, die über einen Ausgang die Versorgung des SM301 abschaltet.

Tritt im SM301 ein Fehler auf (z. B. SLS überschritten), schaltet SD-Out1 des Sicherheitsmoduls ab.

Sicherheitshinweis / Haftungsausschluss:

Die Safety Applikations- und Parametrierhinweise sind Beispiele für mögliche  Teilfunktionen in Maschinen.

Die Angabe des T10D-Wertes gemäß DIN EN ISO 13849-1, Anhang C.4.2 erfolgt nur bei Vorliegen eines B10D–Wertes und bei einer Betriebszeit von weniger als 20 Jahren.
 
Die Inbetriebnahme ist solange untersagt, bis festgestellt wurde, dass die Maschine den Bestimmungen der relevanten EG-Richtlinien / nationalen Gesetze entspricht.
 
Die Sicherheitshinweise der technischen Dokumentationen sind zu beachten.
 
Die Nutzung der Beispiele entbindet den Anwender nicht von einer sorgfältigen Projektierung. Für mögliche Schäden und Folgeschäden übernimmt Lenze, soweit rechtlich zulässig, keine Haftung.
                                              
Copyright 2019 Lenze Automation GmbH

URL zur Verlinkung dieses AKB-Artikels: https://www.lenze.com/de-de/go/akb/201201643/0/
Kontaktformular