8400 motec mit SO10 - Sicher abgeschaltetes Moment mit elektromechanischem Sicherheits-Schaltgerät - kein Fehlerausschluss auf der Leitung - Performance Level e


Funktion:
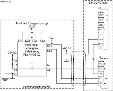
Der Motor wird bei Anforderung der Sicherheitsfunktion nach Stopp-Kategorie 0 der EN 60204-1 abgeschaltet.
Fehlerausschlüsse wurden für geschützt verlegte Leitungen gemacht (nach DIN EN ISO 13849-2:2003-12 und IEC 61800-5-2:2007-07). Das gilt für Leitungen, die durch einen Kabelkanal geschützt, innerhalb eines Schaltschranks verlegt sind.

 

Annahme: Für die Leitung zwischen Schaltschrank und 8400 motec kann bei diesem Beispiel kein mechanischer Fehlerausschluss gemacht werden.
Da nicht alle Querschlüsse, die hier auftreten können, erkannt werden, wird nur Kategorie 3 erreicht.

Sicherheitshinweis / Haftungsausschluss:

Die Safety Applikations- und Parametrierhinweise sind Beispiele für mögliche  Teilfunktionen in Maschinen.

Die Angabe des T10D-Wertes gemäß DIN EN ISO 13849-1, Anhang C.4.2 erfolgt nur bei Vorliegen eines B10D–Wertes und bei einer Betriebszeit von weniger als 20 Jahren.
 
Die Inbetriebnahme ist solange untersagt, bis festgestellt wurde, dass die Maschine den Bestimmungen der relevanten EG-Richtlinien / nationalen Gesetze entspricht.
 
Die Sicherheitshinweise der technischen Dokumentationen sind zu beachten.
 
Die Nutzung der Beispiele entbindet den Anwender nicht von einer sorgfältigen Projektierung. Für mögliche Schäden und Folgeschäden übernimmt Lenze, soweit rechtlich zulässig, keine Haftung.
                                              
Copyright 2019 Lenze Drives GmbH

URL zur Verlinkung dieses AKB-Artikels: https://www.lenze.com/de-de/go/akb/201111412/0/

Weitere Information

Kontaktformular