Anwendung:
Netzversorgung von 400 V-Umrichtern mit 2-poliger Netzspannung beliebiger Höhe ohne Einschränkung der nutzbaren Motorleistung
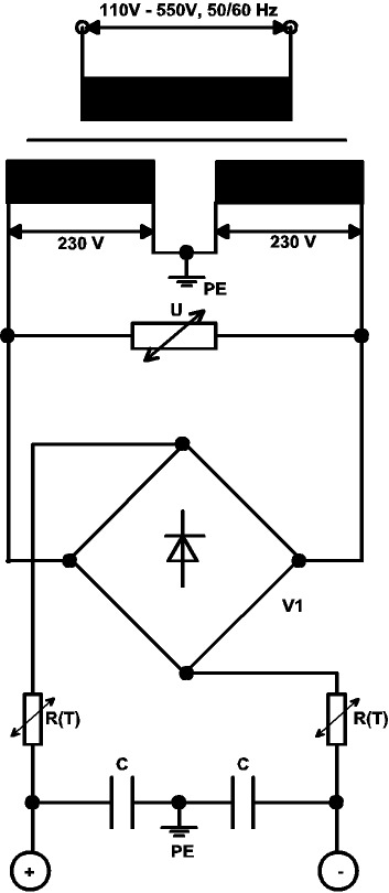
Beschreibung:
In der Netzeinspeisung sind folgende Zusatzkomponenten erforderlich:
1. Trenntrafo: Prim. 1x 230 V oder aktuelle Spannung, Sek.2 x 230 V mit Mittelanzapfung (Leistung siehe Tabelle unten)
2. Schutzvaristor, Nennspannung 510 V, min. 2 W (z. B. SIOV S20k510)
3. Brückengleichrichter, Nennspannung min. 1.600 V (Nennstrom siehe Tabelle)
4. Je nach Geräteleistung zwischen 2x ein und 2x drei (in Reihe) NTC-Widerstände (Daten und Anzahl siehe Tabelle)
5. 2 x Zwischenkreiskondensatoren, Nennspannung 400 V DC (Kapazität siehe Tabelle)
Pnenn Motor Pnenn Trafo Inenn Gleichrichter(min) NTC-Widerstände R/I Zwischenkreiskondensator
1,5 kW 4,0 kVA 16 A 2 x 20 Ohm / 8 A 2 x 1,1 mF
2,2 kW 5,0 kVA 20 A 2 x 10 Ohm / 15 A 2 x 1,5 mF
3,0 kW 7,5 kVA 25 A 2 x 10 Ohm / 15 A 2 x 2,2 mF
4,0 kW 10,0 kVA 35 A 2 x 5,0 Ohm / 20 A 2 x 3,3 mF
5,5 kW 12,5 kVA 50 A 4 x 2,0 Ohm / 25 A 2 x 3,6 mF
7,5 kW 15,0 kVA 50 A 6 x 1,0 Ohm / 30 A 2 x 4,4 mF
11,0 kW 20,0 kVA 75 A 4 x 1,0 Ohm / 40 A 2 x 6,6 mF
Die Verschaltung der Zusatzkomponenten muss nach folgender Prinzipschaltung erfolgen:
