9400 mit SM301 - Sicher abgeschaltetes Moment und sicher begrenzte Position - Performance Level e


Funktion:
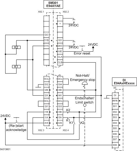
Der Motor wird bei Anforderung der Sicherheitsfunktion nach Stopp-Kategorie 0 der EN 60204-1 abgeschaltet.

 

Nach Einschalten der Anlage, nach Not-Halt oder einem Fehler im SM301 muss referenziert werden (negative Richtung auf TouchProbe). Das SM301 befindet sich im Normalbetrieb, SLS1 mit SDIneg ist aktiviert.
Ist der Endschalter betätigt (Referenzpunkt gefunden), wird über DI8 (TouchProbe) im 9400 die Referenz gesetzt. Im SM301 wird OMS aktiviert. Dadurch wird der sichere Ausgang eingeschaltet und SLS1 mit SDIneg deaktiviert.
Sobald der Endschalter wieder freigefahren ist, wird ES aktiviert, um die Bewegung freizugeben.
SLI wird als absolute Positionsüberwachung verwendet. Als Bewegungsfunktion wird SLS2 mit beiden freigegebenen Richtungen verwendet.
Wird bei bekannter Referenzposition der Endschalter betätigt (freigegebener Verfahrbereich in negativer Richtung verlassen), wird ES deaktiviert.
Dadurch wird SS2 / SOS aktiviert. Aus der Bewegung resultiert ein Fehler.
Der Endschalter muss drei zwangsgeführte Öffnerkontakte besitzen (z. B. Schmersal T4VH 335-03Z).
Die Strecke, in der der Endschalter betätigt ist, muss größer sein, als das 'SOS Toleranzfenster'.
Beim Referenzieren muss der Motor innerhalb des 'SOS Toleranzfenster' reversieren.

Sicherheitshinweis / Haftungsausschluss:

Die Safety Applikations- und Parametrierhinweise sind Beispiele für mögliche  Teilfunktionen in Maschinen.

Die Angabe des T10D-Wertes gemäß DIN EN ISO 13849-1, Anhang C.4.2 erfolgt nur bei Vorliegen eines B10D–Wertes und bei einer Betriebszeit von weniger als 20 Jahren.
 
Die Inbetriebnahme ist solange untersagt, bis festgestellt wurde, dass die Maschine den Bestimmungen der relevanten EG-Richtlinien / nationalen Gesetze entspricht.
 
Die Sicherheitshinweise der technischen Dokumentationen sind zu beachten.
 
Die Nutzung der Beispiele entbindet den Anwender nicht von einer sorgfältigen Projektierung. Für mögliche Schäden und Folgeschäden übernimmt Lenze, soweit rechtlich zulässig, keine Haftung.
                                              
Copyright 2019 Lenze Automation GmbH


URL zur Verlinkung dieses AKB-Artikels: https://www.lenze.com/de-de/go/akb/201105746/0/

Weitere Information

Kontaktformular