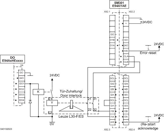
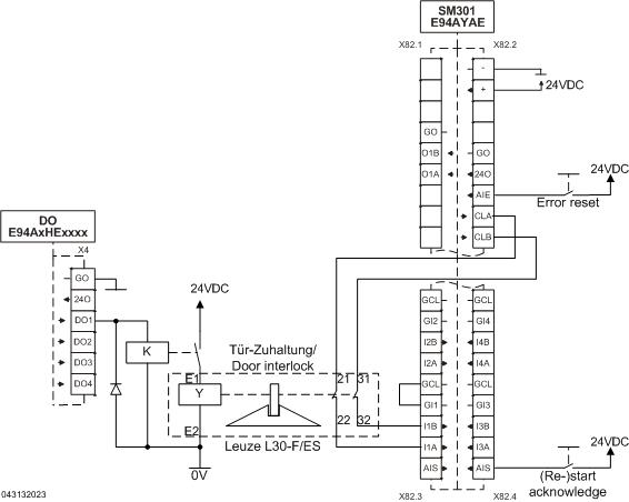
9400 mit SM301 - Automatische Aktivierung von sicher begrenzter Geschwindigkeit und Schutztürüberwachung mit Zuhaltung - Performance Level e


Funktion:
Sobald der Motor die in C00019 eingestellte Geschwindigkeitsgrenze unterschreitet, wird die Zuhaltung der Schutztür geöffnet. Dadurch wird im SM301 die Überwachung von SLS aktiviert.
Sobald die Geschwindigkeit die Schwelle von C00019 überschreitet, wird die Schutztür wieder zugehalten. Ist die Tür ordnungsgemäß zugehalten, wird die Überwachung von SLS im SM301 wieder deaktiviert und der Motor kann wieder über die SLS-Grenze hinaus beschleunigen.
Es ist möglich, mit einem nicht-sicheren Ausgang des Grundgerätes die Zuhaltung einer Schutztür zu öffnen, und den Status dann vom Sicherheitsmodul auswerten zu lassen. So kann der sichere Ausgang des SM301 für weitere Funktionen genutzt werden.

 

Sicherheitshinweis / Haftungsausschluss:

Die Safety Applikations- und Parametrierhinweise sind Beispiele für mögliche  Teilfunktionen in Maschinen.

Die Angabe des T10D-Wertes gemäß DIN EN ISO 13849-1, Anhang C.4.2 erfolgt nur bei Vorliegen eines B10D–Wertes und bei einer Betriebszeit von weniger als 20 Jahren.
 
Die Inbetriebnahme ist solange untersagt, bis festgestellt wurde, dass die Maschine den Bestimmungen der relevanten EG-Richtlinien / nationalen Gesetze entspricht.
 
Die Sicherheitshinweise der technischen Dokumentationen sind zu beachten.
 
Die Nutzung der Beispiele entbindet den Anwender nicht von einer sorgfältigen Projektierung. Für mögliche Schäden und Folgeschäden übernimmt Lenze, soweit rechtlich zulässig, keine Haftung.
                                              
Copyright 2019 Lenze Automation GmbH

URL zur Verlinkung dieses AKB-Artikels: https://www.lenze.com/de-de/go/akb/201104802/0/
Kontaktformular