8400 motec mit SO10 - Sicher abgeschaltetes Moment mit elektromechanischem Sicherheits-Schaltgerät (PM-schaltend) - kein Fehlerausschluss auf der Leitung - Performance Level e


Funktion:
Der Motor wird bei Anforderung der Sicherheitsfunktion nach Stopp-Kategorie 0 der EN 60204-1 abgeschaltet.

 

Fehlerausschlüsse wurden für geschützt verlegte Leitungen gemacht (nach DIN EN ISO 13849- 2:2003-12 und IEC 61800-5-2:2007-07). Das gilt für Leitungen, die durch einen Kabelkanal geschützt, innerhalb eines Schaltschranks verlegt sind.

Annahme: Für die Leitung zwischen Schaltschrank und 8400 motec kann bei diesem Beispiel kein Fehlerausschluss gemacht werden.
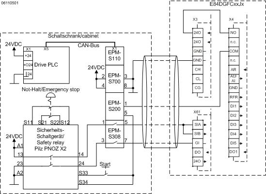
Ein Kurzschluss zwischen X61 GI und X3 GND wäre sicherheitskritisch, da der 8400 motec dann nur noch einkanalig abgeschaltet würde. Deshalb muss die Abschaltbarkeit des Plus- und des Minus- Pfades separat getestet werden. Dies wird über das einzelne Schalten der beiden Relais innerhalb des EPM-S308 realisiert. Da GI von X61 am 8400 motec der gemeinsame Anschluss für das GNDPotenzial des sicheren Eingangs SIA/SIB und des Rückmeldeausgangs DO ist, kann der Rückmeldeausgang DO in dieser Applikation nicht verwendet werden. Stattdessen wird das Relais des 8400 motec für die Rückmeldung verwendet.

Durch Abschalten des EPM-S308 durch die Drive PLC kann der 8400 motec unabhängig vom Not-Halt freigegeben bzw. gesperrt werden.

Sicherheitshinweis / Haftungsausschluss:
Die Safety Applikations- und Parametrierhinweise sind Beispiele für mögliche Teilfunktionen in Maschinen.
Die Angabe des T10D-Wertes gemäß DIN EN ISO 13849-1, Anhang C.4.2 erfolgt nur bei Vorliegen eines B10D–Wertes und bei einer Betriebszeit von
weniger als 20 Jahren.
Die Inbetriebnahme ist solange untersagt, bis festgestellt wurde, dass die Maschine den Bestimmungen der relevanten EG-Richtlinien / nationalen
Gesetze entspricht.
Die Sicherheitshinweise der technischen Dokumentationen sind zu beachten.
Die Nutzung der Beispiele entbindet den Anwender nicht von einer sorgfältigen Projektierung. Für mögliche Schäden und Folgeschäden übernimmt Lenze, soweit rechtlich zulässig, keine Haftung.
Copyright 2019 Lenze Drives GmbH


URL zur Verlinkung dieses AKB-Artikels: https://www.lenze.com/de-de/go/akb/201104320/0/
Kontaktformular