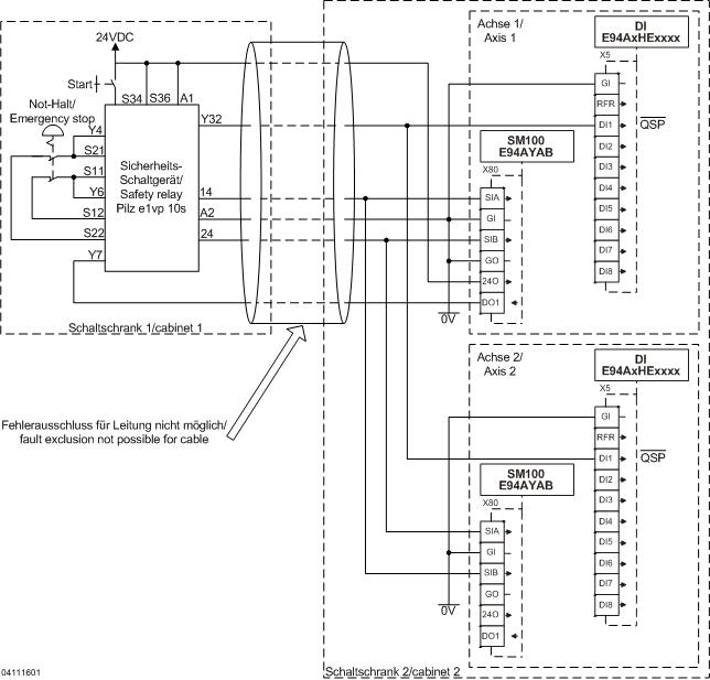
9400 mit SM100 - Sicherer Stopp 1 an zwei Antriebsreglern mit elektronischem Sicherheits-Schaltgerät ohne Fehlerausschluss - Performance Level d


Funktion:
Die Motoren werden bei Anforderung der Sicherheitsfunktion nach Stopp-Kategorie 1 der EN 60204-1 stillgesetzt.
Die Verzögerungszeit des Sicherheits-Schaltgerätes muss größer als die QSP-Zeit eingestellt werden.
Toleranzen der Verzögerungszeit im Sicherheits-Schaltgerät müssen berücksichtigt werden.
Die einzustellenden Werte sind applikationsabhängig.
Die Verzögerungszeit des Sicherheits-Schaltgerätes ist in der Zeichnung auf 1 s eingestellt.
Um die Kontakte des Sicherheits-Schaltgerätes gleichmäßig zu belasten, werden die Eingänge (SIA und SIB) der SM100 wechselseitig angeschlossen.
Das SM100 liefert keinen Beitrag zur gefährlichen Versagenswahrscheinlichkeit PFD und gefährlichen Versagensrate PFH. Alle sicherheitsrelevanten Fehler, die im SM100 auftreten können, münden im sicheren Zustand.
Wenn keine Fehlerausschlüsse für geschützt verlegte Leitungen nach DIN EN ISO 13849-2:2003-12 und IEC 61800-5-2:2007-07 gemacht werden können, muss die Rückführung verwendet werden.
Es ist ausreichend, die Rückführung eines SM100 zu verwenden, da sich ein Fehler in der Leitung auf beide Sicherheitsmodule auswirkt.
Die Leitung zwischen dem Sicherheits-Schaltgerät und den Antriebsreglern ist in diesem Beispiel nicht geschützt verlegt. Da keine Mehrfehlersicherheit in der Leitung gegeben ist, wird nur Performance Level d erreicht.
Beide gezeigte Achsen sind in demselben Gefahrenbereich installiert.

 

Sicherheitshinweis / Haftungsausschluss:

Die Safety Applikations- und Parametrierhinweise sind Beispiele für mögliche  Teilfunktionen in Maschinen.

Die Angabe des T10D-Wertes gemäß DIN EN ISO 13849-1, Anhang C.4.2 erfolgt nur bei Vorliegen eines B10D–Wertes und bei einer Betriebszeit von weniger als 20 Jahren.
 
Die Inbetriebnahme ist solange untersagt, bis festgestellt wurde, dass die Maschine den Bestimmungen der relevanten EG-Richtlinien / nationalen Gesetze entspricht.
 
Die Sicherheitshinweise der technischen Dokumentationen sind zu beachten.
 
Die Nutzung der Beispiele entbindet den Anwender nicht von einer sorgfältigen Projektierung. Für mögliche Schäden und Folgeschäden übernimmt Lenze, soweit rechtlich zulässig, keine Haftung.
                                              
Copyright 2019 Lenze Automation GmbH


URL zur Verlinkung dieses AKB-Artikels: https://www.lenze.com/de-de/go/akb/201014217/0/
Kontaktformular