9400 mit SM301 - Sicherer Stopp 1 und sicher begrenzte Geschwindigkeit - SMX10 steuert mehrere Achsen - Performance Level e


Funktion:
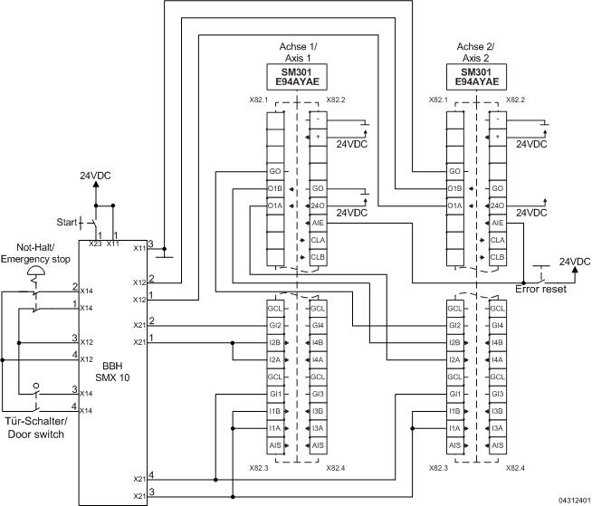
In diesem Beispiel werden mit einer Sicherheits-SPS die Sicherheitsfunktionen in mehreren Achsen aktiviert. Dieses Applikationsbeispiel ist nicht auf zwei Achsen beschränkt.
Beide gezeigte Achsen sind in demselben Gefahrenbereich installiert.
Bei Betätigung des Not-Halt-Tasters wird SSE mit SS1 über SD-In2 an Achse 1 aktiviert. SD-Out1 von Achse 1 aktiviert SSE mit SS1 über SD-In2 an Achse 2. SD-Out1 von Achse 2 meldet den Zustand an die Sicherheits-SPS zurück.
Bei Öffnen des Tür-Schalters wird SLS1 über SD-In1 an beiden Achsen aktiviert.
Tritt in einem Sicherheitsmodul ein Fehler auf (z. B. SLS überschritten), schaltet SD-Out1 des jeweiligen Sicherheitsmoduls ab. Dadurch wird in allen folgenden Achsen des Verbundes SS1 aktiviert. Von der letzen Achse wird der Zustand zur Sicherheits-SPS zurückgemeldet, die dann in allen vorherigen Achsen des Verbundes ebenfalls SS1 aktiviert.

 

Sicherheitshinweis / Haftungsausschluss:

Die Safety Applikations- und Parametrierhinweise sind Beispiele für mögliche  Teilfunktionen in Maschinen.

Die Angabe des T10D-Wertes gemäß DIN EN ISO 13849-1, Anhang C.4.2 erfolgt nur bei Vorliegen eines B10D–Wertes und bei einer Betriebszeit von weniger als 20 Jahren.
 
Die Inbetriebnahme ist solange untersagt, bis festgestellt wurde, dass die Maschine den Bestimmungen der relevanten EG-Richtlinien / nationalen Gesetze entspricht.
 
Die Sicherheitshinweise der technischen Dokumentationen sind zu beachten.
 
Die Nutzung der Beispiele entbindet den Anwender nicht von einer sorgfältigen Projektierung. Für mögliche Schäden und Folgeschäden übernimmt Lenze, soweit rechtlich zulässig, keine Haftung.
                                              
Copyright 2019 Lenze Automation GmbH

URL zur Verlinkung dieses AKB-Artikels: https://www.lenze.com/de-de/go/akb/201006164/0/
Kontaktformular