9400 mit SM301 - Sicherer Stopp 1 und sicher begrenzte Geschwindigkeit mit Selbsthaltung - Performance Level e


Funktion:
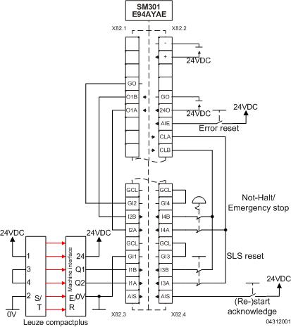
Der Motor wird bei Anforderung der Sicherheitsfunktion nach Stopp-Kategorie 1 der EN 60204-1 stillgesetzt.
Wird der Lichtvorhang unterbrochen, wird sicher begrenzte Geschwindigkeit 1 aktiviert. Dadurch wird der sichere Ausgang abgeschaltet, der über SD-In2 ebenfalls SLS 1 aktiviert.
Somit bleibt SLS 1 auch weiterhin aktiviert, wenn der Lichtvorhang wieder freigegeben ist.
Bei freigegebenem Lichtvorhang kann durch Betätigung des Quittierungstasters 'SLS reset' SD-Out1 wieder eingeschaltet werden. Dadurch wird SLS 1 wieder aufgehoben.

 

Sicherheitshinweis / Haftungsausschluss:

Die Safety Applikations- und Parametrierhinweise sind Beispiele für mögliche  Teilfunktionen in Maschinen.

Die Angabe des T10D-Wertes gemäß DIN EN ISO 13849-1, Anhang C.4.2 erfolgt nur bei Vorliegen eines B10D–Wertes und bei einer Betriebszeit von weniger als 20 Jahren.
 
Die Inbetriebnahme ist solange untersagt, bis festgestellt wurde, dass die Maschine den Bestimmungen der relevanten EG-Richtlinien / nationalen Gesetze entspricht.
 
Die Sicherheitshinweise der technischen Dokumentationen sind zu beachten.
 
Die Nutzung der Beispiele entbindet den Anwender nicht von einer sorgfältigen Projektierung. Für mögliche Schäden und Folgeschäden übernimmt Lenze, soweit rechtlich zulässig, keine Haftung.
                                              
Copyright 2019 Lenze Automation GmbH

URL zur Verlinkung dieses AKB-Artikels: https://www.lenze.com/de-de/go/akb/200909853/0/
Kontaktformular