9400 mit SM301 - Sicherer Stopp 1 mit langer Stoppzeit und Schutztürüberwachung mit Verriegelung - Performance Level e


Funktion:
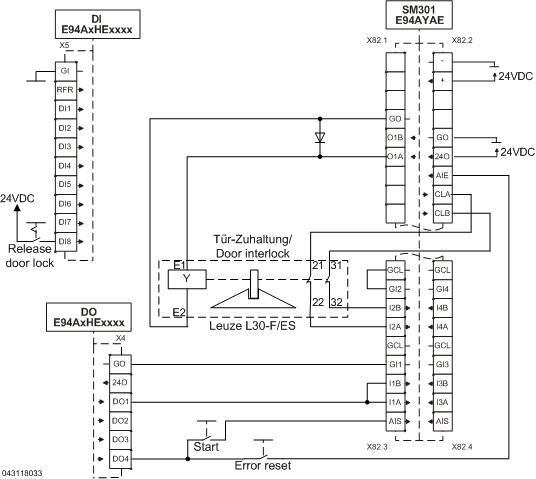
Der Motor wird bei Anforderung der Türöffnung nach Stopp-Kategorie 1 der EN 60204-1 stillgesetzt.
Der Gefahrenbereich ist durch eine zugehaltene Schutztür gesichert. Die Zuhaltung darf nur im Zustand 'sicher abgeschaltetes Moment' geöffnet werden.
Die Stopp-Funktion SS1 im SM301 wird nach Ablauf der Verzögerungszeit von L_TbDelay2 gestartet. Wenn nach Ablauf der Stoppzeit im SM301 der Stillstand erreicht ist und kein Fehler anliegt, wird über SD-Out1 die Zuhaltung geöffnet. Die Rückführkontakte der Zuhaltung aktivieren zusätzlich STO am SM301.
Wenn der Motor nicht der QSP-Rampe folgt, wird nach Ablauf der Stoppzeit im SM301 ein Fehler gesetzt und STO aktiviert. Damit die Verriegelung nach einem Fehler nicht schon geöffnet werden kann, während der Motor noch austrudelt, kann der Fehler erst zurückgesetzt werden, wenn die Drehzahl, den in C00019 parametrierten Wert unterschritten hat.

 

Die Wiederanlaufsperre des SM301 kann ebenfalls erst zurückgesetzt werden, wenn die Drehzahl den in C19 parametrierten Wert unterschritten hat.

Dieses Applikationsbeispiel ist bei Schnellhaltzeiten von größer als 30 s anzuwenden.

Sicherheitshinweis / Haftungsausschluss:

Die Safety Applikations- und Parametrierhinweise sind Beispiele für mögliche  Teilfunktionen in Maschinen.

Die Angabe des T10D-Wertes gemäß DIN EN ISO 13849-1, Anhang C.4.2 erfolgt nur bei Vorliegen eines B10D–Wertes und bei einer Betriebszeit von weniger als 20 Jahren.
 
Die Inbetriebnahme ist solange untersagt, bis festgestellt wurde, dass die Maschine den Bestimmungen der relevanten EG-Richtlinien / nationalen Gesetze entspricht.
 
Die Sicherheitshinweise der technischen Dokumentationen sind zu beachten.
 
Die Nutzung der Beispiele entbindet den Anwender nicht von einer sorgfältigen Projektierung. Für mögliche Schäden und Folgeschäden übernimmt Lenze, soweit rechtlich zulässig, keine Haftung.
                                              
Copyright 2019 Lenze Automation GmbH

URL zur Verlinkung dieses AKB-Artikels: https://www.lenze.com/de-de/go/akb/200908466/0/
Kontaktformular