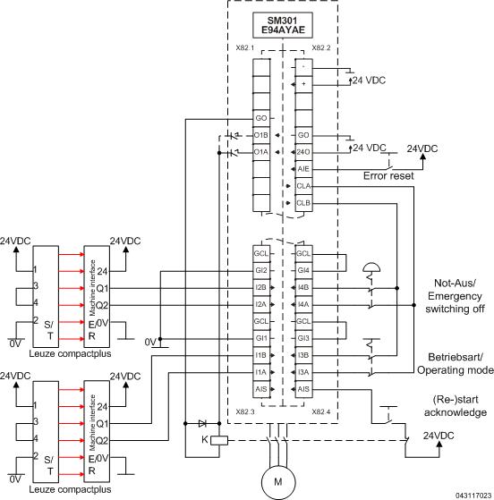
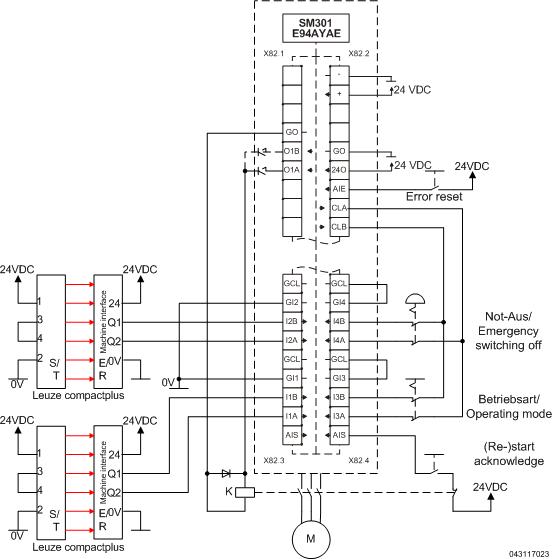
9400 mit SM301 - Sicher abgeschaltetes Moment und weitere Funktionen mit Motorschütz - Performance Level e


Funktion:
Der Motor wird bei Betätigung des Not-Aus-Tasters nach Stopp-Kategorie 0 der EN 60204-1 abgeschaltet.
Bei Betätigung des Betriebsartenwahlschalters wird die sicher begrenzte Geschwindigkeit aktiviert.
Bei Unterbrechung des unteren Lichtvorhangs wird die Einhaltung der positiven Bewegungsrichtung überwacht, d. h. die negative Bewegungsrichtung wird verhindert.
Bei Unterbrechung des oberen Lichtvorhangs wird der sichere Betriebshalt aktiviert.
Das Motorschütz muss zwangsgeführte Kontakte besitzen.
Falls die Stromaufnahme der Schützspule 500 mA überschreitet, müssen beide Kanäle des sicheren Ausgangs über Entkoppeldioden parallel geschaltet werden. Wird nur O1A verwendet, muss keine Entkoppeldiode verwendet werden.
Die Stromaufnahme darf den im Handbuch spezifizierten Wert von 500 mA pro Kanal nicht überschreiten (d. h. 1 A bei Parallelschaltung von O1A und O1B)

 

Mit diesem Applikationsbeispiel wird ein Not-Aus nach EN 60204-1 realisiert.

Dieses Applikationsbeispiel sollte nur verwendet werden, wenn eine automatische galvanische Trennung zwischen Netz und Motor zwingend erforderlich ist.

Sicherheitshinweis / Haftungsausschluss:

Die Safety Applikations- und Parametrierhinweise sind Beispiele für mögliche  Teilfunktionen in Maschinen.

Die Angabe des T10D-Wertes gemäß DIN EN ISO 13849-1, Anhang C.4.2 erfolgt nur bei Vorliegen eines B10D–Wertes und bei einer Betriebszeit von weniger als 20 Jahren.
 
Die Inbetriebnahme ist solange untersagt, bis festgestellt wurde, dass die Maschine den Bestimmungen der relevanten EG-Richtlinien / nationalen Gesetze entspricht.
 
Die Sicherheitshinweise der technischen Dokumentationen sind zu beachten.
 
Die Nutzung der Beispiele entbindet den Anwender nicht von einer sorgfältigen Projektierung. Für mögliche Schäden und Folgeschäden übernimmt Lenze, soweit rechtlich zulässig, keine Haftung.
                                              
Copyright 2019 Lenze Automation GmbH

URL zur Verlinkung dieses AKB-Artikels: https://www.lenze.com/de-de/go/akb/200908346/0/
Kontaktformular