9400 mit SM301 - Sicher abgeschaltetes Moment und SD-Out schaltet P-M-Last - Performance Level e


Funktion:
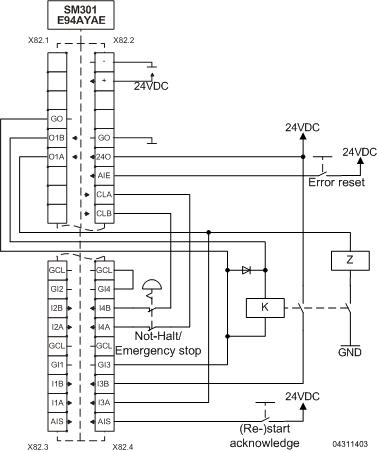
Der Motor wird bei Anforderung der Sicherheitsfunktion nach Stopp-Kategorie 0 der EN 60204-1 abgeschaltet.

 

Um eine Last (Z), die in P/M-(plus/minus)-Schaltung angeschlossen ist, mit dem SM301 schalten zu können, muss ein Koppelrelais (K) verwendet werden. Es muss ein zwangsgeführtes Relais verwendet werden (z. B. Wago 788-384 oder unter www.tuvasi.com), wobei der Rückmeldekontakt auf einen sicheren Eingang des SM301 geführt werden muss, um die korrekte Funktion des Relais zu überprüfen. Dies geschieht, indem die Diskrepanzzeit zwischen dem sicheren Ausgang und dem Relais durch den sicheren Eingang SD-In3 überwacht wird. Der maximale Laststrom eines Kanals des sicheren Ausgangs beträgt 500 mA.

Sicherheitshinweis / Haftungsausschluss:

Die Safety Applikations- und Parametrierhinweise sind Beispiele für mögliche  Teilfunktionen in Maschinen.

Die Angabe des T10D-Wertes gemäß DIN EN ISO 13849-1, Anhang C.4.2 erfolgt nur bei Vorliegen eines B10D–Wertes und bei einer Betriebszeit von weniger als 20 Jahren.
 
Die Inbetriebnahme ist solange untersagt, bis festgestellt wurde, dass die Maschine den Bestimmungen der relevanten EG-Richtlinien / nationalen Gesetze entspricht.
 
Die Sicherheitshinweise der technischen Dokumentationen sind zu beachten.
 
Die Nutzung der Beispiele entbindet den Anwender nicht von einer sorgfältigen Projektierung. Für mögliche Schäden und Folgeschäden übernimmt Lenze, soweit rechtlich zulässig, keine Haftung.
                                              
Copyright 2019 Lenze Automation GmbH

URL zur Verlinkung dieses AKB-Artikels: https://www.lenze.com/de-de/go/akb/200808000/0/
Kontaktformular