9400 mit SM301 - Sicherer Stopp 1 und sichere Bremsenansteuerung mit Bremsmodul I kleiner 1A - Performance Level e


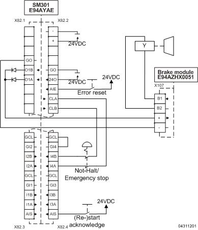
Funktion:
Der Motor wird bei Anforderung der Sicherheitsfunktion nach Stopp-Kategorie 1 der EN 60204-1 stillgesetzt. Ist der Zustand STO erreicht, schaltet das SM301 die Versorgung des Bremsenmoduls sicher ab.
Damit bei einem Fehler im SM301, der nicht zu STO führt, nicht nur die Bremse einfällt und der Motor weiterdreht, wird im Achsmodul ebenfalls ein Fehler gesetzt.
Ein Kurzschluss zwischen den Entkoppeldioden und X107 + muss durch geschützte Verlegung der Leitung ausgeschlossen werden.

 

Achtung:
Dieses Applikationsbeispiel darf nur angewendet werden, wenn ein Motor mit Klemmenkasten verwendet wird, da die SELV / PELV-Eigenschaften der Versorgung nicht reduziert werden dürfen. Wird am Motor ein Rundstecker verwendet, ist im Motorstecker aufgrund der Abstände zwischen den Anschlüssen nur eine einfache Basisisolierung vorhanden.
Der Schirm der beiden Adern der Bremse muss im Klemmenkasten des Motors so lang wie möglich die Adern umschließen.

Sicherheitshinweis / Haftungsausschluss:

Die Safety Applikations- und Parametrierhinweise sind Beispiele für mögliche  Teilfunktionen in Maschinen.

Die Angabe des T10D-Wertes gemäß DIN EN ISO 13849-1, Anhang C.4.2 erfolgt nur bei Vorliegen eines B10D–Wertes und bei einer Betriebszeit von weniger als 20 Jahren.
 
Die Inbetriebnahme ist solange untersagt, bis festgestellt wurde, dass die Maschine den Bestimmungen der relevanten EG-Richtlinien / nationalen Gesetze entspricht.
 
Die Sicherheitshinweise der technischen Dokumentationen sind zu beachten.
 
Die Nutzung der Beispiele entbindet den Anwender nicht von einer sorgfältigen Projektierung. Für mögliche Schäden und Folgeschäden übernimmt Lenze, soweit rechtlich zulässig, keine Haftung.
                                              
Copyright 2019 Lenze Automation GmbH

URL zur Verlinkung dieses AKB-Artikels: https://www.lenze.com/de-de/go/akb/200806103/0/
Kontaktformular