Frage:
Wie kann beim Servo Drive 9400 (Single Drive) mit Bremsenmodul bei ausgeschalteter Netzversorgung die Haltebremse des Motors gelüftet werden, um den Antrieb manuell zu bewegen?
Antwort:
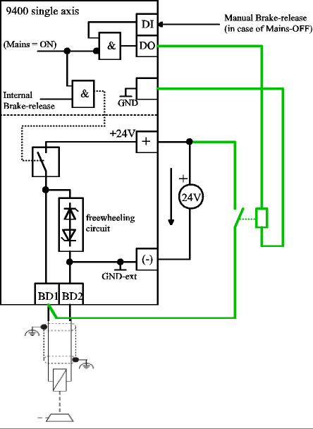
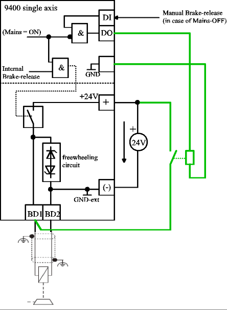
Beim integrierbaren Bremsenmodul der Servo Drives 9400 (Single Drive) ist zum Lüften der Haltebremse die Versorgung des DC-Zwischenkreises erforderlich (Mains=ON). Intern wird zur Bremsenansteuerung die Spannung vom Schaltnetzteil der Endstufen-Treiber, das über den DC-Zwischenkreis versorgt wird, benötigt.
Falls die Maschine auch bei ausgeschalteter Netzversorgung bewegt werden soll und dafür das Lüften der Bremse erforderlich ist, muss die Bremse von extern mit 24 V Spannung angesteuert werden.
Um die Bremse zu lüften, kann in diesem Fall die 24 V-Bremsenspannung über ein externes Relais auf die Klemme BD1 geschaltet werden. Die Ansteuerung des Relais kann z. B. über einen digitalen Ausgang des Antriebsreglers 9400 erfolgen (siehe Abbildung). Das zugehörige Steuerungsmanagement, gegebenenfalls mit logischen Verriegelungen und Statusabfragen, muss vom Projekteur entsprechend vorgesehen und ausgeführt werden.
Insbesondere ist vom Projekteur sicher zu stellen, dass das manuelle Lüften der Bremse von extern nur erfolgt, wenn das Netz ausgeschaltet ist und damit die Versorgung des DC-Zwischenkreises ausgeschaltet ist (NOT Mains=ON).
Wird der Antrieb bei abgeschalteter Netzspannung und extern gelüfteter Bremse manuell bewegt, dann tritt am 9400-Antriebsregler ggf. eine Störungsmeldung auf: 'Motorbremse: Winkeldrift bei geschlossener Bremse zu groß'. Nach dem Zuschalten der Netzspannung muss diese Störungsmeldung vom Anwender zurückgesetzt werden.
Zur Info:
Bei den 9400 Multi Drives ergibt sich die eingangs beschriebene Problematik nicht. Mit Blick auf die Gesamtsystemkosten eines Multiachs-Verbundes ist hier von der Konzeption her kein internes Schaltnetzteil implementiert. Bei einer größeren Anzahl vorhandener Achsen ist die zentrale externe 24 V-Versorgung kostengünstiger.
