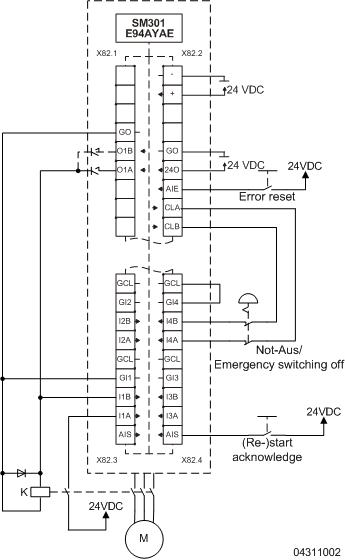
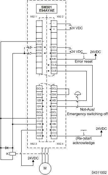
9400 mit SM301 - Sicher abgeschaltetes Moment mit Motorschütz - Performance Level e


Funktion:
Der Motor wird bei Anforderung der Sicherheitsfunktion nach Stopp-Kategorie 0 der EN 60204-1 abgeschaltet.

 

Dieses Applikationsbeispiel sollte nur verwendet werden, wenn eine automatische galvanische Trennung zwischen Netz und Motor zwingend erforderlich ist.

Das Motorschütz muss zwangsgeführte Kontakte besitzen.
Falls die Stromaufnahme der Schützspule 500 mA überschreitet, müssen beide Kanäle des sicheren Ausgangs über Entkoppeldioden parallel geschaltet werden. Wird nur O1A verwendet, muss keine Entkoppeldiode verwendet werden.
Die Stromaufnahme darf den im Handbuch spezifizierten Wert von 500 mA pro Kanal nicht überschreiten (d. h. 1 A bei Parallelschaltung von O1A und O1B)

Mit diesem Applikationsbeispiel wird ein Not-Aus nach EN 60204-1 realisiert.

Ein Fehler des Motorschützes wird durch die Diskrepanzüberwachung von SD-In1 erkannt.
Um nach einem Diskrepanzfehler den Antriebsregler wieder frei geben zu können, muss das SM301 aus- und wieder eingeschaltet werden. Um Diskrepanzfehler quittieren zu können, ist erst ein Signalwechsel beider Kanäle des sicheren Eingangs erforderlich. Da aber das SM301 wegen des Fehlers die Versorgung des Motorschützes sicher abgeschaltet hat, kann das Motorschütz nicht anziehen. Deshalb kann kein Signalwechsel stattfinden.

Sicherheitshinweis / Haftungsausschluss:

Die Safety Applikations- und Parametrierhinweise sind Beispiele für mögliche  Teilfunktionen in Maschinen.

Die Angabe des T10D-Wertes gemäß DIN EN ISO 13849-1, Anhang C.4.2 erfolgt nur bei Vorliegen eines B10D–Wertes und bei einer Betriebszeit von weniger als 20 Jahren.
 
Die Inbetriebnahme ist solange untersagt, bis festgestellt wurde, dass die Maschine den Bestimmungen der relevanten EG-Richtlinien / nationalen Gesetze entspricht.
 
Die Sicherheitshinweise der technischen Dokumentationen sind zu beachten.
 
Die Nutzung der Beispiele entbindet den Anwender nicht von einer sorgfältigen Projektierung. Für mögliche Schäden und Folgeschäden übernimmt Lenze, soweit rechtlich zulässig, keine Haftung.
                                              
Copyright 2019 Lenze Automation GmbH


URL zur Verlinkung dieses AKB-Artikels: https://www.lenze.com/de-de/go/akb/200800444/0/
Kontaktformular