9400 mit SM301 - Kaskadierung mit Wiederanlaufquittierung über SPS - Performance Level e


Funktion:
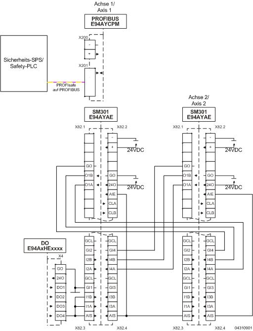
In diesem Beispiel ist nur eine Achse der kaskadierten Antriebe an einen Bus angeschlossen. Die Wiederanlaufquittierung aller kaskadierten Antriebsregler muss gleichzeitig erfolgen.
Eventuelle Fehler der SM301 werden sequenziell zur Wiederanlaufquittierung zurückgesetzt (1. positive Flanke an DO 4 --> Fehlerquittierung, 2. positive Flanke an DO 4 --> Wiederanlauf).

 

Es ist erlaubt, die Wiederanlaufquittierung über einen nicht-sicheren SPS-Ausgang durchzuführen, wenn der Zustand des Ausgangs sicher zur Sicherheits-SPS zurückgemeldet wird und dort mit dem jeweiligen Erwartungswert verglichen wird. Dies wird über SD-In 1 realisiert.

Sicherheitshinweis / Haftungsausschluss:

Die Safety Applikations- und Parametrierhinweise sind Beispiele für mögliche  Teilfunktionen in Maschinen.

Die Angabe des T10D-Wertes gemäß DIN EN ISO 13849-1, Anhang C.4.2 erfolgt nur bei Vorliegen eines B10D–Wertes und bei einer Betriebszeit von weniger als 20 Jahren.
 
Die Inbetriebnahme ist solange untersagt, bis festgestellt wurde, dass die Maschine den Bestimmungen der relevanten EG-Richtlinien / nationalen Gesetze entspricht.
 
Die Sicherheitshinweise der technischen Dokumentationen sind zu beachten.
 
Die Nutzung der Beispiele entbindet den Anwender nicht von einer sorgfältigen Projektierung. Für mögliche Schäden und Folgeschäden übernimmt Lenze, soweit rechtlich zulässig, keine Haftung.
                                              
Copyright 2019 Lenze Automation GmbH

URL zur Verlinkung dieses AKB-Artikels: https://www.lenze.com/de-de/go/akb/200800387/0/
Kontaktformular