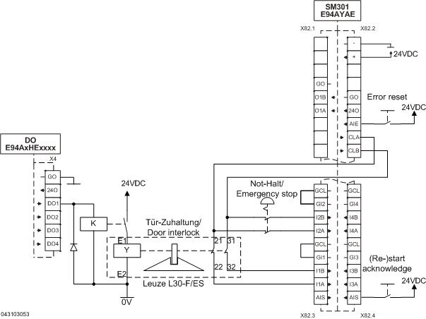
9400 mit SM301 - Sicherer Stopp 1 und Schutztürüberwachung mit Verriegelung - Performance Level e


Funktion:
Der Motor wird bei Anforderung des Not-Halts nach Stopp-Kategorie 1 der EN 60204-1 stillgesetzt.
Es ist möglich, mit einem nicht-sicheren Ausgang des Grundgerätes die Zuhaltung einer Schutztür zu öffnen, und den Status dann vom Sicherheitsmodul auswerten zu lassen. So kann der sichere Ausgang des SM301 für weitere Funktionen genutzt werden.
In diesem Beispiel muss bei geöffneter Schutztür mit sicher begrenzter Geschwindigkeit gefahren werden. Die Ansteuerung der Tür-Zuhaltung wird in diesem Beispiel nicht beschrieben.

 

Sicherheitshinweis / Haftungsausschluss:

Die Safety Applikations- und Parametrierhinweise sind Beispiele für mögliche  Teilfunktionen in Maschinen.

Die Angabe des T10D-Wertes gemäß DIN EN ISO 13849-1, Anhang C.4.2 erfolgt nur bei Vorliegen eines B10D–Wertes und bei einer Betriebszeit von weniger als 20 Jahren.
 
Die Inbetriebnahme ist solange untersagt, bis festgestellt wurde, dass die Maschine den Bestimmungen der relevanten EG-Richtlinien / nationalen Gesetze entspricht.
 
Die Sicherheitshinweise der technischen Dokumentationen sind zu beachten.
 
Die Nutzung der Beispiele entbindet den Anwender nicht von einer sorgfältigen Projektierung. Für mögliche Schäden und Folgeschäden übernimmt Lenze, soweit rechtlich zulässig, keine Haftung.
                                              
Copyright 2019 Lenze Automation GmbH

URL zur Verlinkung dieses AKB-Artikels: https://www.lenze.com/de-de/go/akb/200704508/0/
Kontaktformular