9400 mit SM100 - Sicherer Stopp 1 an drei Antriebsreglern mit elektromechanischem Sicherheits-Schaltgerät - Performance Level d


Funktion:
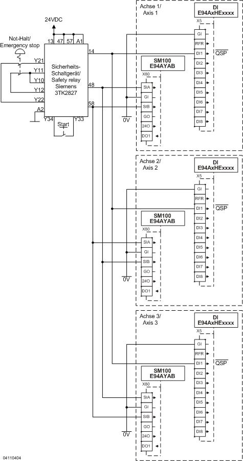
Die Motoren werden bei Anforderung der Sicherheitsfunktion nach Stopp-Kategorie 1 der EN 60204-1 stillgesetzt.
Die Verzögerungszeit des Sicherheits-Schaltgerätes muss größer als die QSP-Zeit eingestellt werden. Toleranzen der Verzögerungszeiten in den Sicherheits-Schaltgeräten müssen berücksichtigt werden. Die einzustellenden Werte sind applikationsabhängig.
Um die Kontakte des Sicherheits-Schaltgerätes gleichmäßig zu belasten, werden die Eingänge (SIA und SIB) der SM100 wechselseitig angeschlossen.

 

Da das SM100 keinen Beitrag zur gefährlichen Versagenswahrscheinlichkeit PFD und gefährlichen Versagensrate PFH liefert, ist es nicht erforderlich, die Rückführung DO1 zu verwenden. Alle sicherheitsrelevanten Fehler, die im SM100 auftreten können, münden im sicheren Zustand. Fehlerausschlüsse wurden für geschützt verlegte Leitungen gemacht (nach DIN EN ISO 13849-2:2003-12 und IEC 61800-5-2:2007-07). Das gilt für Leitungen, die durch einen Kabelkanal geschützt, innerhalb eines Schaltschranks verlegt sind.

Sicherheitshinweis / Haftungsausschluss:

Die Safety Applikations- und Parametrierhinweise sind Beispiele für mögliche  Teilfunktionen in Maschinen.

Die Angabe des T10D-Wertes gemäß DIN EN ISO 13849-1, Anhang C.4.2 erfolgt nur bei Vorliegen eines B10D–Wertes und bei einer Betriebszeit von weniger als 20 Jahren.
 
Die Inbetriebnahme ist solange untersagt, bis festgestellt wurde, dass die Maschine den Bestimmungen der relevanten EG-Richtlinien / nationalen Gesetze entspricht.
 
Die Sicherheitshinweise der technischen Dokumentationen sind zu beachten.
 
Die Nutzung der Beispiele entbindet den Anwender nicht von einer sorgfältigen Projektierung. Für mögliche Schäden und Folgeschäden übernimmt Lenze, soweit rechtlich zulässig, keine Haftung.
                                              
Copyright 2019 Lenze Automation GmbH

URL zur Verlinkung dieses AKB-Artikels: https://www.lenze.com/de-de/go/akb/200704496/0/
Kontaktformular