9400 mit SM301 - Sicherer Stopp 1 und Realisierung einer sicheren Bremsenansteuerung mit Verdrehüberwachung - Performance Level e


Funktion:
Der Motor wird bei Anforderung der Sicherheitsfunktion nach Stopp-Kategorie 1 der EN 60204-1 stillgesetzt.

 

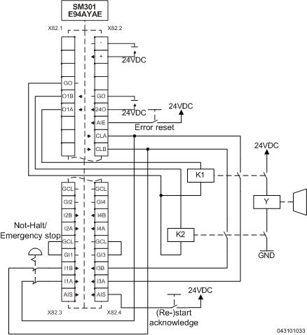
Um eine zweikanalige Bremsenansteuerung mit dem SM301 zu realisieren, müssen zwei Koppelrelais verwendet werden. Es müssen zwangsgeführte Relais verwendet werden (z. B. Wago 788-384 oder unter www.tuvasi.com), wobei der Rückmeldekontakt auf einen sicheren Eingang des SM301 geführt werden muss, um die korrekte Funktion der Relais zu überprüfen. Dies geschieht, indem die Diskrepanzzeit der beiden Relais über den sicheren Eingang überwacht wird.
Über diesen sicheren Eingang wird SLS1 mit nlim = 5 aktiviert. Wird der Motor bei eingefallener Bremse verdreht, löst das SM301 eine Fehlermeldung aus.
Wird keine sichere Geschwindigkeitsüberwachung verwendet, muss als Funktion der freien Zuordnung für den sicheren Eingang 3 'keine' ausgewählt werden.

Wenn die Bremse auch durch die Technologieapplikation aktiviert werden soll, muss dies z. B. durch eine Reihenschaltung dieses Applikationsbeispiels mit dem Bremsenmodul erfolgen (Nicht Bestandteil dieses Applikationsbeispiels).

Sicherheitshinweis / Haftungsausschluss:

Die Safety Applikations- und Parametrierhinweise sind Beispiele für mögliche  Teilfunktionen in Maschinen.

Die Angabe des T10D-Wertes gemäß DIN EN ISO 13849-1, Anhang C.4.2 erfolgt nur bei Vorliegen eines B10D–Wertes und bei einer Betriebszeit von weniger als 20 Jahren.
 
Die Inbetriebnahme ist solange untersagt, bis festgestellt wurde, dass die Maschine den Bestimmungen der relevanten EG-Richtlinien / nationalen Gesetze entspricht.
 
Die Sicherheitshinweise der technischen Dokumentationen sind zu beachten.
 
Die Nutzung der Beispiele entbindet den Anwender nicht von einer sorgfältigen Projektierung. Für mögliche Schäden und Folgeschäden übernimmt Lenze, soweit rechtlich zulässig, keine Haftung.
                                              
Copyright 2019 Lenze Automation GmbH

URL zur Verlinkung dieses AKB-Artikels: https://www.lenze.com/de-de/go/akb/200702608/0/
Kontaktformular