DigOut-Relais, Relais-Ausgang für Bremse auch für andere Funktionen verwendbar

Frage:
Kann beim ECS der Relais-Ausgang neben dem Anschluss einer Haltebremse auch für andere Funktionen verwendet werden?

Antwort:
Ja, der Relais-Ausgang X25/B1 und /B2 des ECS kann prinzipiell auch für andere Funktionen als nur für die Bremsenansteuerung verwendet werden.
Falls der Relais-Ausgang nicht zur Bremsenansteuerung genutzt wird, ist natürlich die Überwachung der Haltebremse zu deaktivieren (C0602 bei Speed & Torque).

Speed & Torque:
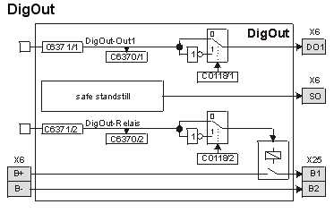
Bei Variante Speed & Torque kann das Ansteuersignal für den Relais-Ausgang über den zugehörigen Eingang am Funktionsblock 'DigOut' konfiguriert werden, siehe Abbildung.

Posi & Shaft und Motion:
Beim ECS mit Applikations-Software 'Posi & Shaft' oder 'Motion'  ist der Relais-Ausgang fest mit der Ansteuerung der Haltebremse verknüpft und kann daher nicht mit anderen Funktionen belegt werden.

Applikations-Variante:
Die freie Programmierung mit dem DDS unter Verwendung der zur Verfügung stehenden Libraries ermöglicht es, den Relais-Ausgang für andere Funktionen zu nutzen.

Hinweis: Bei der Verwendung des Relaisausgangs in der zuvor beschriebenen Art und Weise muss beachtet werden, dass das Relais eine Verzögerungszeit im Anzug besitzt, die typischerweise zwischen 10 und 30 ms liegt.

URL zur Verlinkung dieses AKB-Artikels: https://www.lenze.com/de-de/go/akb/200510698/0/
Kontaktformular