CAN GND beim Kommunikationsmodul EMF 2175

Frage:

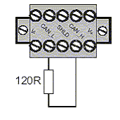
Wo muss der CAN GND beim 5-poligen DeviceNet Stecker angeschlossen werden?

Antwort:

Der 5-polige Stecker ist nach DeviceNet genormt. Die beiden Datenleitungen werden an die Anschlüsse CAN_L und CAN_H und die externe 24 Volt Versorgung wird an V- und V+ angeschlossen. Bei Betrieb des Moduls mit DeviceNet wird der Schirm der Leitung an die Klemme SHIELD angeschlossen und bei Betrieb mit CANopen muss der CAN GND an die V- Klemme angeschlossen werden.

URL zur Verlinkung dieses AKB-Artikels: https://www.lenze.com/de-de/go/akb/20034299/0/
Kontaktformular