新闻中心
集团新闻发布
集团议题
Blog
展会和活动
快讯
招贤纳士
工作机会
经验丰富的专业人士
下载
工程设计应用程序
工程设计数据
EASY工程设计工具
产品相关的应用知识库文章
产品文档
公司相关的认证及声明
Online Tools
EASY Product Finder
驱动选型
整机设计
CAD Configurator
M-n曲线
Smart Conveyor Calculator
联系人
Lenze在中国.
Lenze全球
联络表格
中国 (China)
汉语
English
Change country
产品
IIoT
控制装置
驱动器
减速电机
电机
减速机
配件
Software
Lenze FAST Application Software
解决方案
系统
我们的硬件
X4 Remote
Motion Control
IT meets OT
自动化
功能安全性
我们的硬件
我们的软件
NUPANO Open Automation Platform
OEE & Downtime Tracking
Machine Visualization
Engineering Suite
SMART Engineering应用
我们的软件
我们的智囊团
数字化解决方案
状态监测
数字孪生
Lenze工程设计服务
Lenze绩效伙伴
我们的智囊团
系统
机电一体化
Mechatronic Competence Campus
Decentralized Drive Packages
Energy efficiency
机电一体化
Brand Labeling
行业
汽车行业
合作案例
汽车行业
电池生产
分切和印刷行业
合作案例
分切和印刷行业
Vehicle washing
机场物流
玻璃、石材和陶瓷
木工
HVAC-R
Refrigeration engineering and heat pumps
Ventilation equipment
HVAC-R
塑料工业
Courier Express Parcel
场内物流
巷道堆垛机解决方案
场内物流
金属加工
Pumps
Robotics
纺机行业
合作案例
纺机行业
包装行业
合作案例
包装行业
行业
References
Converting and printing industry
BST
Donghang Graphic Technology Inc.
DURST Group
D.W. Engineers
GIC
MAAN Engineering
Mendel RG Systems
Nikelman Printing press
Relinquo Automation Pvt. Ltd.
Suddha Machineries and Industries PVT LTD
Converting and printing industry
Airport logistics
Courier, Express & Parcel
Warehouse logistics
bonArea
Stöcklin High-bay warehouse
Vectron
Witron Warehouse logistics
Warehouse logistics
Textile industry
Dilmenler
Gilbos
MBK and DMS Dilmenler
Menzel Compact washer
Monforts Textile machine
Nomaco Nonwoven machines
nsc.n schlumberger
Picanol Weaving machines
Pro-SMH
Texpro
Trigema and Xetma Vollenweider
Zimmer Austria
Textile industry
Packaging industry
Citus Kalix Packaging machine
DMK
Fricke Abfülltechnik
Kletec Egg processing machines
MAKRO MAKINA
Mondini
PAYPER
TechNikkels
Wolf Packaging machines
XOX Retrofit extruder
Packaging industry
Further industries
Bauer
HEGLA New Technology
KABTEC Test systems
Lisec
MFL
Schelling Sawing center
Weinig Grecon
Further industries
References
解决方案
服务
售后服务
培训服务
现场培训
在线学习
Online training
培训服务
工程设计服务
Cyber Security
Cyber Security Statements
Cyber Security
软件下载
工程设计工具
智能工程设计app
工程设计数据
软件下载
知识库
应用知识库
产品文档
公司文档
知识库
Product-Lifecycle-Management
X4 Remote Support
服务
产品支持
公司
企业集团
我们的方法
品质承诺
将我们的客户以及合作伙伴顺利过渡至数字化时代,
我们的方法
企业责任
员工责任
社会责任
企业责任
我们的企业文化
我们的管理
我们的历史
History Lenze
100 years Elisabeth Belling
我们的历史
企业集团
Lenze全球
非洲
Lenze在南非
非洲
美洲
Lenze在巴西
Lenze in Canada
Lenze在墨西哥
Lenze在美洲
美洲
亚洲
Lenze在中国
Lenze在印度
Lenze在韩国
Lenze在菲律宾
Lenze在新加坡
Lenze在土耳其
亚洲
北欧
Lenze在丹麦
Lenze在芬兰
Lenze在瑞典
北欧
西欧和中欧
Lenze在比利时
Lenze在德国
Lenze在爱沙尼亚
Lenze在法国
Lenze在拉脱维亚
Lenze在立陶宛
Lenze in Austria
Lenze在荷兰
Lenze在波兰
Lenze在瑞士
Lenze在英国
西欧和中欧
东欧
Lenze在保加利亚
Lenze in Macedonia
Lenze在罗马尼亚
Lenze在俄罗斯
Lenze in Serbia
Lenze在斯洛伐克
Lenze在斯洛文尼亚
Lenze在捷克
Lenze在匈牙利
东欧
南欧
Lenze在意大利
Lenze在克罗地亚
Lenze在马其顿
Lenze在西班牙
南欧
Lenze全球
Sustainability
WEEE指令
Sustainability
合规
新闻中心
Lenze集团新闻发布
Lenze集团议题
Blog
展会和活动
Newsletter
新闻中心
招贤纳士
工作机会
Current vacancies Germany
Current vacancies in Poland
Current vacancies Benelux and UK
Current vacancies Switzerland
Current vacancies USA
Current vacancies China
工作机会
我们是Lenze
经验丰富的专业人士
招贤纳士
Global Procurement
公司
中国 (China)
汉语
English
Change country
首页
应用知识库
文章
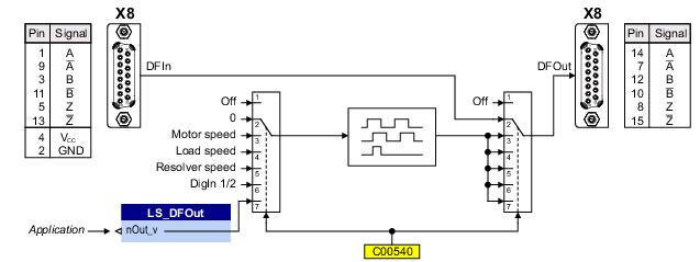
LS-DFOUT ? digital frequency output via X8
LS-DFOUT ? digital frequency output via X8
Which products are affected?
Inverter Drives 8400 TopLine from firmware version 12.00.00.00
Functional description
Output of a complementary A-B- track signal with a Z-pulse for simulation of a
TTL encoder signal up to max. 500kHz at X8.
Applications
Master value output in the form of a TTL signal.
URL for linking this AKB article:
https://www.lenze.com/en-de/go/akb/201301080/1/
Meta data
Taxonomy: 8400 TopLine frequency inverters
AKB-ID: 201301080
Last update: 2023/09/13
Category: 版本注释
Lenze reserves the right to change information on this page at any time. Any liability for the accuracy of the information is excluded.
©
其他国家
版权声明
隐私政策
使用条款
联络表格
沪公网安备 31019002000664号
沪ICP备10008287号-1