9400 with SM301 - Manual reset function - performance level e

Safety_SM301_Manuelle_Rückstellung_V1.jpg 

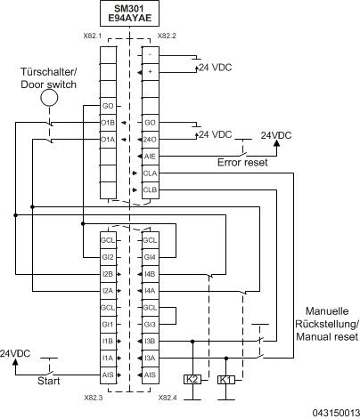
Function:

When the door switch is opened, the motor is switched off according to stop category 0 of EN 60204-1.
If the door switch is closed again, the safety function can be reset via the Manual reset button allowing the motor to restart after pressing the Start button.

This function is used if a simple start command is not sufficient due to the risk assessment.
After correction, errors that have occurred can be reset via the Error Reset (AIE) input.

Safety information / disclaimer:

The safety application and parameterisation notes are examples of possible subfunctions in machines.

The T10D value according to DIN EN ISO 13849-1, Annex C.4.2 is only indicated if a B10D value is available and the operating time is less than 20 years.
 
Commissioning is prohibited until the machine has been checked in accordance with the regulations set out in the relevant EU directives / national laws.
 
The safety instructions contained in the technical documentation must be observed.
 
Using the examples does not exempt the user from careful project planning. For possible damages and consequential damages Lenze assumes no liability to the extent permitted by law.
 
Copyright 2019 Lenze Automation GmbH

URL for linking this AKB article: https://www.lenze.com/en-de/go/akb/201500697/1/
联络表格 huizang.png沪公网安备 31019002000664号 沪ICP备10008287号-1