9400 with SM301 - Safe door interlock with position monitoring - performance level e

Safety_SM301_safe_door_interlock_with_position_monitoring_PL_e_V1.jpg
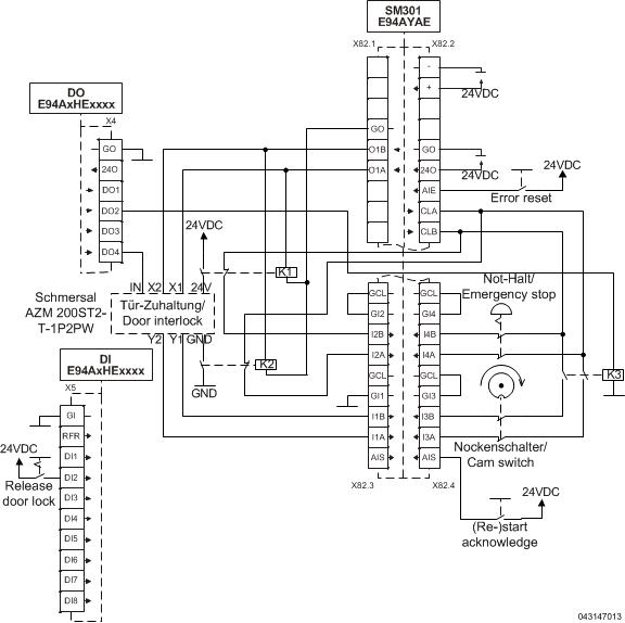
Function:

The door interlock can only be opened if the axis is in a certain position (cam switch not actuated as shown in the connection diagram).
During normal operation, the motor is speed-controlled. If the emergency-stop button is actuated or a request for opening the door interlock is given, speed control is changed over to absolute positioning. In the target position, the cam switch is not actuated. If the door interlock is to be opened (request via DI2 / DO2 / K3), SM301 is switched to special operation in the expected position via high level at SD-In3. After expiry of the SS1/SS2 stop time (required for positioning in case of emergency stop), the current position will be monitored and the door interlock will be enabled via DO4.
If the door is closed again and the request for opening the door interlock is cancelled, the door interlock is locked again. SM301 is switched to normal operation again. After acknowledgement of the restart inhibit, the motor can restart.
 
Safety information / disclaimer:
The safety application and parameterisation notes are examples of possible subfunctions in machines.

The T10D value according to DIN EN ISO 13849-1, Annex C.4.2 is only indicated if a B10D value is available and the operating time is less than 20 years.
 
Commissioning is prohibited until the machine has been checked in accordance with the regulations set out in the relevant EU directives / national laws.
 
The safety instructions contained in the technical documentation must be observed.
 
Using the examples does not exempt the user from careful project planning. For possible damages and consequential damages Lenze assumes no liability to the extent permitted by law.
 
Copyright 2019 Lenze Automation GmbH

URL for linking this AKB article: https://www.lenze.com/en-de/go/akb/201400214/1/
联络表格 huizang.png沪公网安备 31019002000664号 沪ICP备10008287号-1