Frage:
Wie kann der Analogeingang der ECS-Achsmodule als zusätzlicher digitaler Eingang genutzt werden?
Antwort:
Falls bei ECS-Achsmodulen (Speed & Torque oder Application) ein zusätzlicher Digitaleingang benötigt wird, kann zur Not der Analogeingang (AIN1) als digtaler Eingang verwendet werden.
Dies ist unter 'missbräuchlicher' Verwendung der Drahtbruchüberwachung möglich. Die Drahtbruchüberwachung 'SD5' ist nur bei Konfiguration des Analogeinganges als
Leitstromeingang 4....20 mA aktiv.
Die Störungsreaktion SD5 muss, wie in default-Einstellung, ausgeschaltet bleiben: Codestelle C0598 = 3 (Off). Trotzdem schaltet das digitale Monitorsignal 'AIN1-Error', wenn ein Drahtbruch erkannt wird.
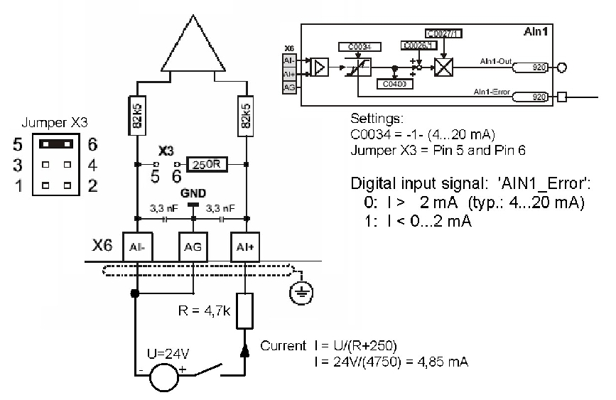
Einstellungen:
Zur Umstellung des Analogeingangs von Spannung +/- 10V auf Strom 4...20 mA sind folgende Einstellungen erforderlich:
- Jumper X3: Pins 5 und 6 verbinden
- C0034 = -1- (4...20 mA)
- SD5-Überwachung bleibt ausgeschaltet, Codestelle C0598 = 3 (Off).
- Funktionsblock-Ausgang 'AIN1-Error' dient als digitales Eingangssignal (ECS Speed&Torque)
- bzw. Variable 'Ain1_bError_b' (ECS Application)
Externe Beschaltung und Funktion:
Die Klemme 'AI+' des Analogeingangs bildet mit einen
Vorwiderstand von z. B.
4,7 kOhm beschaltet den digitalen Signaleingang mit der Logik '
Low-aktiv' (drahtbruchsicher).
Intern
0-Signal vorgeben:
Wird Klemme AI+ über den Vorwiderstand mit 24V angesteuert (High-Pegel), so stellt sich ein Stromfluss von ca. 4,85 mA ein, unter Berücksichtigung des internen Bürdenwiderstands (s. Grafik). Die Drahtbruchüberwachung spricht nicht an und über den Funktionsblockausgang AIN1-Error, bzw. die Variable 'Ain1_bError_b', wird intern 0-Signal ausgegeben.
Intern
1-Signal vorgeben:
Für ein 1-Signal muss der Stromfluss an Klemme AI+ unterbrochen werden (Low-Pegel), so dass die Drahtbruchüberwachungsschwelle von 2 mA unterschritten wird. Über den Funktionsblockausgang AIN1-Error, bzw. die Variable 'Ain1_bError_b', wird dann das 1-Signal intern ausgegeben.
Varianten 'Posi&Shaft' und 'Motion':
Für die Varianten 'Posi&Shaft' und 'Motion' gilt die beschriebene Funktionalität nicht, da hier keine Signalverknüpfungen per Funktionsblockeditor möglich sind.
