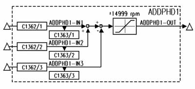
Addition von Winkeldifferenzsignalen (Funktionsblock ADDPHD1)

Anwendung:

Addition von Winkeldifferenzsignalen (z.B. Addition eines Bewegungsprofils zu einer Gleichlaufphase).

Beschreibung:

Bisher musste diese Funktion in DFSET (85 µs) verwendet werden, der jedoch Inkremente verliert, wenn die interne Begrenzung anspricht.
Der Funktionsblock ADDPHD1 (9 µs) verliert keine Inkremente, auch wenn die Ausgangsbegrenzung ±14999 rpm anspricht (Nachlaufspeicher). Dieser Nachlaufspeicher ist gerade in der Kurventechnik von besonderer Wichtigkeit, da die Drehzahl integriert wieder eine Position (Winkel) ergibt.

URL zur Verlinkung dieses AKB-Artikels: https://www.lenze.com/de-de/go/akb/20010141/0/
Kontaktformular