9400 mit SM301 - Sicherer Stopp 1 mit Rampenüberwachung und Realisierung einer sicheren einkanaligen Bremse (zweikanaliges Gesamtkonzept) - Performance Level d

Funktion:

Der Motor wird bei Anforderung der Sicherheitsfunktion durch den Laserscanner nach Stopp-Kategorie 1 der EN 60204-1 stillgesetzt.

Der Stillsetzvorgang wird durch die Rampenüberwachung des SM301 überwacht. Dies wird als erster Kanal angesehen.
Wenn das elektrische Bremsen durch den Schnellhalt fehlschlägt, fällt die mechanische Bremse ein und bremst den Motor in den Stillstand. Dies wird als zweiter Kanal angesehen.
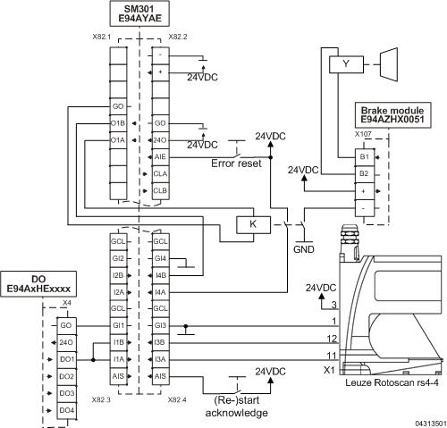
Im BGIA-Report 2/2008 ist dieses Konzept im Kapitel 8.2.23 anhand eines Schaltungsbeispiels beschrieben.

Um eine sichere, einkanalige Bremsenansteuerung mit dem SM301 zu realisieren, muss ein Koppelrelais verwendet werden. Es muss ein zwangsgeführtes Relais verwendet werden (z.B. Wago 788-384, wobei der Rückmeldekontakt auf einen sicheren Eingang des SM301 geführt werden muss, um die korrekte Funktion des Relais zu überprüfen. Dies geschieht, indem die Ansteuerung und die Rückmeldung durch die Diskrepanzüberwachung des sicheren Eingangs I4 überwacht werden.
Das betriebsmäßige Schalten der Bremse erfolgt über die Applikation des 9400 und das Bremsmodul.

Um die Bremse zu testen, wird das aufgebrachte Moment der verknüpften Bremse erfasst. Der Bremsentest wird jedes Mal bei der Freigabe des LS_SpeedFollower über DIGIN 2 durchlaufen.

Bei jedem Bremsentest wird die Funktion des Koppelrelais überprüft, indem über DO1 der sichere Ausgang des SM301 abgeschaltet wird.

Sicherheitshinweis / Haftungsausschluss:

Die Safety Applikations- und Parametrierhinweise sind Beispiele für mögliche  Teilfunktionen in Maschinen.

Die Angabe des T10D-Wertes gemäß DIN EN ISO 13849-1, Anhang C.4.2 erfolgt nur bei Vorliegen eines B10D–Wertes und bei einer Betriebszeit von weniger als 20 Jahren.
 
Die Inbetriebnahme ist solange untersagt, bis festgestellt wurde, dass die Maschine den Bestimmungen der relevanten EG-Richtlinien / nationalen Gesetze entspricht.
 
Die Sicherheitshinweise der technischen Dokumentationen sind zu beachten.
 
Die Nutzung der Beispiele entbindet den Anwender nicht von einer sorgfältigen Projektierung. Für mögliche Schäden und Folgeschäden übernimmt Lenze, soweit rechtlich zulässig, keine Haftung.
                                              
Copyright 2019 Lenze Automation GmbH

URL zur Verlinkung dieses AKB-Artikels: https://www.lenze.com/de-de/go/akb/201105677/0/
Kontaktformular