Touch Probe Wegkorrektur, TP-SYNC-BUSY (CDATA, CCTRL)

Frage:
Funktionsblöcke CDATA und CCTRL: Warum wird trotz erkanntem Touch-Probe-Signal und durchgeführter Wegkorrektur das Statussignal TP-SYNC-BUSY sporadisch nicht gesetzt?

Antwort:
Das Statussignal TP-SYNC-BUSY zeigt bei Verwendung der Funktion Touch-Probe-Korrektur eine laufende Wegkorrektur nach dem Erkennen eines TP-Signals an.
Die Wegkorrektur kann bereits innerhalb eines Programmzyklus (1 ms) abgeschlossen werden, wenn der zu korrigierende Weg sehr klein ist. In diesem Fall wird das Statussignal TP-SYNC-BUSY im selben Programmzyklus wieder zurückgesetzt, noch bevor es vom Anwender ausgewertet werden konnte.

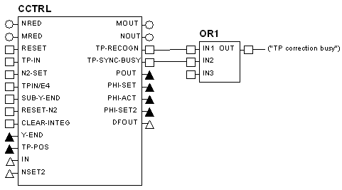
Soll zuverlässig erkannt werden, wann eine Touch-Probe-Korrektur erfolgt, so kann über die unten beispielhaft für den FB CCTRL aufgeführte Funktionsblockverschaltung ein entsprechendes Signal gebildet werden. Das Verschaltungsbeispiel gilt sinngemäß auch für den CDATA-Funktionsblock.

URL zur Verlinkung dieses AKB-Artikels: https://www.lenze.com/de-de/go/akb/200508134/0/
Kontaktformular