Function:
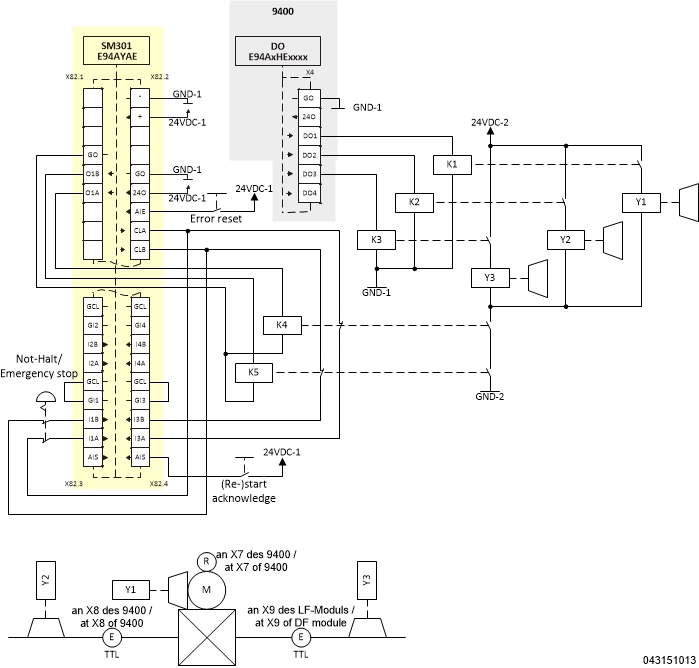
When the emergency stop button is pressed, the motor is switched off according to stop category 0 of EN 60204-1.
When the restart button (AIS) is pressed, the emergency stop is acknowledged.
An error that has occurred can be reset via the Error Reset (AIE) input after the error has been eliminated.
The safe speed detection takes place via a standard resolver on the motor and a standard TTL encoder on each gearbox output shaft.
The speed values of the two load side TTL encoders are halved via L_TbDiv1 and L_TbDiv2 and then added together in L_TbAdd1 so that the resulting speed value corresponds to the mean value of the two load encoders.
The L_LdIntegrateCyclic1 integrates a position value from this, which is evaluated as a position encoder via the LS_Feedback system block in the SM301. The speed value differentiated from this by the SM301 is compared with the speed value of the motor encoder in a safety-related manner.
The safe maximum speed is permanently monitored.
If the STO function is activated in the SM301, all brakes are safely switched off via the safe output SD-Out1 and the auxiliary relays K4 and K5.
Forcibly guided relays must be used (e.g. Wago 788-384), whereby the feedback contact must be connected to a safe input of the SM301 (I3A, I3B) in order to check the correct function of the relays. This is done by monitoring the discrepancy time of the two relays (K4 and K5).

Safety information / disclaimer
The safety application and parameterisation notes are examples of possible subfunctions in machines.
The T10D value according to DIN EN ISO 13849-1, Annex C.4.2 is only in-dicated if a B10D value is available and the operating time is less than 20 years.
Commissioning is prohibited until the machine has been checked in accordance with the regulations set out in the relevant EU directives / national laws.
The safety instructions contained in the technical documentation must be observed.
Using the examples does not exempt the user from careful project planning. For possible damages and consequential damages Lenze assumes no liability to the extent permitted by law.
Copyright 2021 Lenze Automation GmbH