Question:
How can for the Servo Drive 9400 (Single Drive) with integrated brake module the motor holding brake be released when the mains supply is switched off to move the drive manually?
Answer:
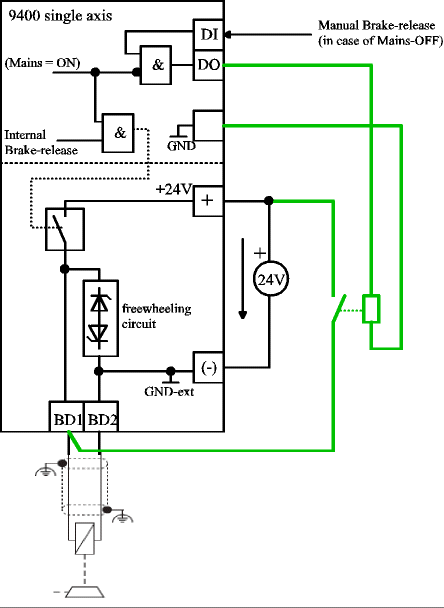
With the integrated brake module of the Servo Drive 9400 (Single Drive), the holding brake can only be released when the DC bus is supplied with voltage (mains=ON). Inside the controller, the voltage from the switched-mode power supply of the power stage drivers which is supplied via the DC bus is required for brake control.
If the machine shall also be moved when the mains supply is switched off and brake release is required for this, the brake must be externally controlled with a voltage of 24 V.
In this case, you can use an external relay to switch the 24 V-brake voltage to terminal BD1 for brake release. The relay can, for instance, be controlled via a digital output of the 9400 controller (see figure). The corresponding control management, if necessary with logic interlocking and status checks, must be provided and designed accordingly by the project planning engineer.
The project planning engineer must ensure that the brake is only externally released manually when the mains is switched off and - as a result - the DC-bus supply is switched off (NOT Mains=ON).
If the drive is moved manually when the mains supply is switched off and the brake is externally released, a fault message ('Motor brake: Phase drift for engaged brake too high') is displayed on the 9400 controller, if necessary. The fault message must be reset by the user after mains voltage connection.
FYI:
The problem does not occur with the 9400 Multi Drives. Considering the overall system cost of a multi-axis network, the concept does not provide the implementation of an internal switched-mode power supply. For a larger number of axes, the central external 24 V-supply is more economical.
