CONVPHAA1, CONVPHAA2 - application and description of function block

Application:

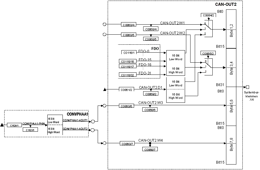
These function blocks improve using system buses (CAN). This is necessary, since the cam profiler technology function is a positioning application. However, the system bus has mainly been designed for transferring 'analog signals'. With these function blocks only 2 position signals can be sent simultaneously via a CAN object.

URL for linking this AKB article: https://www.lenze.com/en-de/go/akb/20010144/1/
Contact form