Addition of phase difference signals (function block ADDPHD1)

Application:

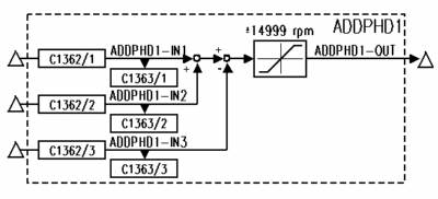
Addition of phase difference signals (e.g. overlay a movement profile to a synchronous phase).

Description:

Previously function block DFSET (85 µs) had to be used. However, this FB loses increments when the internal limitation does not react.
The function block ADDPHD1 only requires 9 µs calculation time and does not lose increments even though the output limitation ±14999 rpm is activated (compensator). This compensator is of special importance in profile technology since the integrated speed again results in a position (angle).

URL for linking this AKB article: https://www.lenze.com/en-de/go/akb/20010141/1/
Contact form