i950 ES - STO SMS Two-encoder-concept with EtherCAT encoder - PL e

​Function:

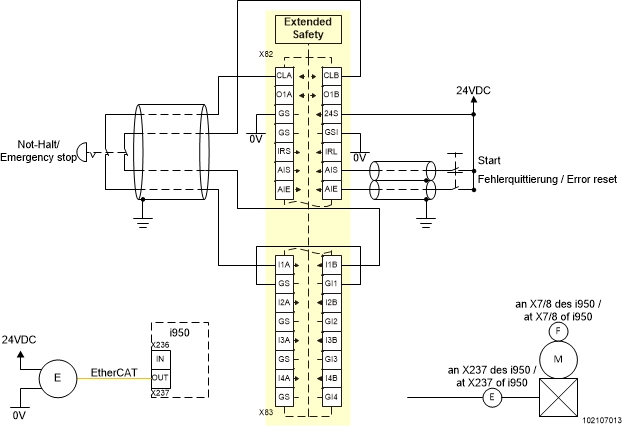
When the emergency stop button is pressed, the motor is switched off according to stop category 0 of EN 60204-1.

When the start button is pressed, the emergency stop is acknowledged.
An error that has occurred can be reset via the Error Reset (AIE) input after the error has been eliminated. 

The safe speed detection takes place via an encoder on the motor and an EtherCAT encoder which is connected to the system bus of the i950.
i950 ES - User TA: The EtherCAT encoder must be attached to the EtherCAT system bus in the PLC project.
A 32-bit variable (e.g. udiPosition: UDINT) is declared in the POU.
The position value of the encoder must be mapped to this variable in the EtherCAT I/O mapping.
The LM_FreeEncoder must be attached as a virtual axis.
In the POU, the value of udiPosition must be copied to the LM_FreeEncoder.diEncoderPosition.
In the i950, the LM_FreeEncoder must be selected as an external position encoder.
The safe maximum speed is permanently monitored. 

Faults have been excluded for protected cables (according to DIN EN ISO 13849-2:2013-02). This applies to cables which are protected by a cable duct and installed inside the control cabinet.

Safety_i950ES_STO_SMS_Busgeber_PL_e_V1.jpg
Safety information / disclaimer

The safety application and parameterisation notes are examples of possible subfunctions in machines. 

The T10D value according to DIN EN ISO 13849-1, Annex C.4.2 is only indicated if a B10D value is available and the operating time is less than 20 years.

Commissioning is prohibited until the machine has been checked in accordance with the regulations set out in the relevant EU directives / national laws. 

The safety instructions contained in the technical documentation must be observed.

Using the examples does not exempt the user from careful project planning. For possible damages and consequential damages Lenze assumes no liability to the extent permitted by law.

Copyright 2021 Lenze Automation GmbH

URL for linking this AKB article: https://www.lenze.com/en-de/go/akb/202100059/1/
Contact form