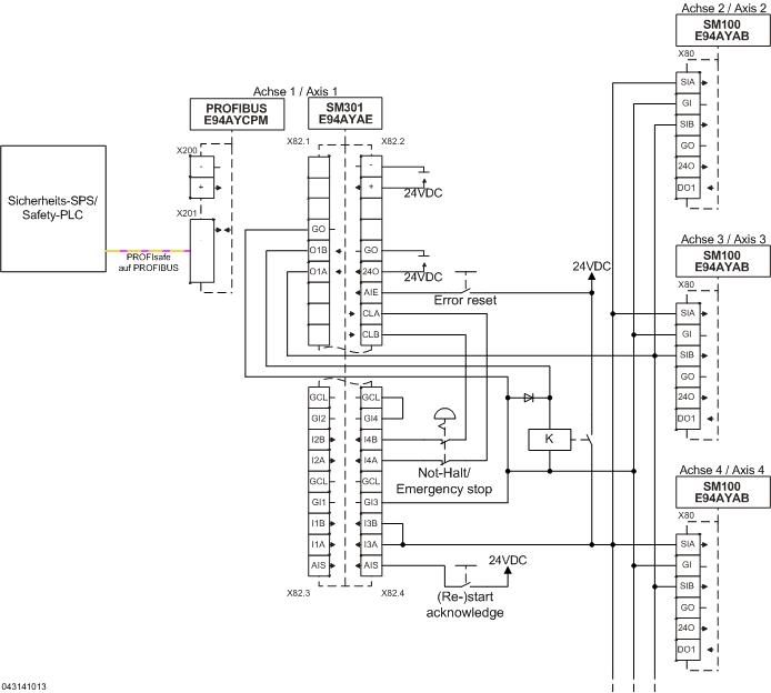
9400 with SM301 and SM100 - Safe torque off by SM301 via PROFIsafe at 17 SM100 - performance level e
Function: When the safety function is requested, the motors are stopped according to stop category 0 of EN 60204-1. When the emergency stop is activated, the STO function is activated via PROFIsafe in the SM301. The switch state of the auxiliary relay K is safely transmitted to the safety PLC and there compared with the expected value.
Safety information / disclaimer:
The safety application and parameterisation notes are examples of possible subfunctions in machines.
The T10D value according to DIN EN ISO 13849-1, Annex C.4.2 is only indicated if a B10D value is available and the operating time is less than 20 years. Commissioning is prohibited until the machine has been checked in accordance with the regulations set out in the relevant EU directives / national laws. The safety instructions contained in the technical documentation must be observed. Using the examples does not exempt the user from careful project planning. For possible damages and consequential damages Lenze assumes no liability to the extent permitted by law. Copyright 2019 Lenze Automation GmbH