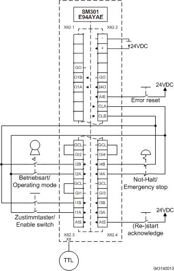
9400 with SM301 - Safe torque off and operating mode changeover with electronic handwheel - performance level e


Function:
In the example, safet torque off is activated when special operation is activated.
If the enable switch is actuated during special operation, safe torque off is deactivated and the motor can be manually moved at safely limited speed using the electronic handwheel (TTL encoder at X8).
Safe torque off is also activated when the emergency-stop switch is actuated.

 

Safety information / disclaimer:

The safety application and parameterisation notes are examples of possible subfunctions in machines.

The T10D value according to DIN EN ISO 13849-1, Annex C.4.2 is only indicated if a B10D value is available and the operating time is less than 20 years.
 
Commissioning is prohibited until the machine has been checked in accordance with the regulations set out in the relevant EU directives / national laws.
 
The safety instructions contained in the technical documentation must be observed.
 
Using the examples does not exempt the user from careful project planning. For possible damages and consequential damages Lenze assumes no liability to the extent permitted by law.
 
Copyright 2019 Lenze Automation GmbH

URL for linking this AKB article: https://www.lenze.com/en-de/go/akb/201203777/1/
Contact form