9400 with SM301 - Safely-limited speed in category 4 - performance level e


Function:
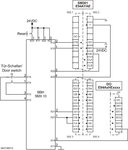
In the example, a safety PLC is used to implement another diagnostics and switch-off path. This is required in applications which do not only require performance level e, but also a category-4 structure.

 

Opening the door switch activates SLS1 via SD-In1 in the SM301. At the same time, the time monitoring is started in the SMX10. As soon as the motor has fallen below the SLS threshold parameterised in the 9400, this will be reported to the SMX10 via HIGH level by DO4.
If the SLS threshold is not fallen below, the error status and the STO error response will be activated in the SM301. In addition, DO4 will indicate the excessive speed to the SMX10 via LOW level, which will switch off the supply for the SM301 via a safe output.
If the SLS threshold is not fallen below due to an undetected error in the SM301, no error response will be activated in the SM301. DO4 will indicate the excessive speed to the SMX10 via LOW level, which will switch off the supply for the SM301 via an output.

If an error occurs in the SM301 (e. g. SLS exceeded), SD-Out1 of the safety module will switch off.

Safety information / disclaimer:

The safety application and parameterisation notes are examples of possible subfunctions in machines.

The T10D value according to DIN EN ISO 13849-1, Annex C.4.2 is only indicated if a B10D value is available and the operating time is less than 20 years.
 
Commissioning is prohibited until the machine has been checked in accordance with the regulations set out in the relevant EU directives / national laws.
 
The safety instructions contained in the technical documentation must be observed.
 
Using the examples does not exempt the user from careful project planning. For possible damages and consequential damages Lenze assumes no liability to the extent permitted by law.
 
Copyright 2019 Lenze Automation GmbH

URL for linking this AKB article: https://www.lenze.com/en-de/go/akb/201201643/1/
Contact form