8400 with SU100 - Safe stop 1 at two controllers with electronic safety relay without fault exclusion - performance level d

Safety_SU100_2_Achsen_ele_ohne_Fehlerausschluss_PL_d_V2.jpg
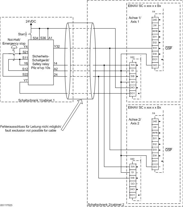
Function:
When the safety function is requested, the motors are stopped according to stop category 1 of EN 60204-1.

 

The delay time of the safety relay must be longer than the QSP time. Consider the delay time tolerances of the safety relay. The values to be set depend on the application.
In the drawing, the delay time of the safety relay is set to 1 s.

If faults cannot be excluded for cables protected according to DIN EN ISO 13849-2:2008-09 and DIN EN 61800-5-2:2008-04, the feedback must be used.
You only need to use the feedback of one SU100, since a fault in the cable will affect both safety modules.
In the example, the cable between the safety relay and the controllers is not protected. Since the cable is not multi-fault-safe, only performance level d is achieved.
The two described axes are installed in the same hazardous area.

Safety information / disclaimer:

The safety application and parameterisation notes are examples of possible subfunctions in machines.

The T10D value according to DIN EN ISO 13849-1, Annex C.4.2 is only indicated if a B10D value is available and the operating time is less than 20 years.
 
Commissioning is prohibited until the machine has been checked in accordance with the regulations set out in the relevant EU directives / national laws.
 
The safety instructions contained in the technical documentation must be observed.
 
Using the examples does not exempt the user from careful project planning. For possible damages and consequential damages Lenze assumes no liability to the extent permitted by law.
 
Copyright 2019 Lenze Drives GmbH


URL for linking this AKB article: https://www.lenze.com/en-de/go/akb/201111355/1/
Contact form