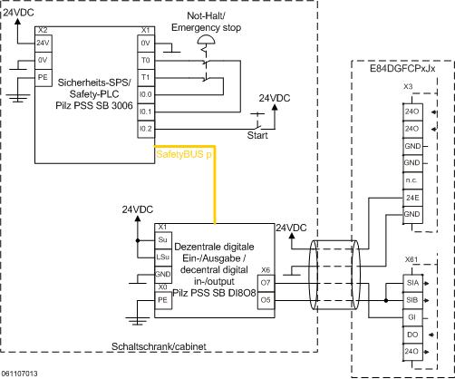
8400 motec with SO10 - Safe torque off with safety PLC (PM-switching) - performance level e


Function:
When the safety function is requested, the motor is stopped according to stop category 0 of EN 60204-1.
Faults have been excluded for protected cables (according to DIN EN ISO 13849-2:2003-12 and IEC 61800-5-2:2007-07). This applies to cables which are protected by a cable duct and installed inside the control cabinet.
The outputs O5 (P-switching) and O7 (M-switching) form the two-channel switch-off path.
Assumption: In the example, faults cannot be excluded for the cable between control cabinet and 8400 motec.
Short circuits that may occur here lead to the safe state.

 

Safety information / disclaimer:
The drive-based safety application and parameterisation notes are examples of possible subfunctions in machines. Commissioning is prohibited until the machine has been checked in accordance with the regulations set out in the relevant EU directives / national laws.
The safety instructions contained in the technical documentation must be observed.

Using the examples does not exempt the user from careful project planning. Lenze does not assume any liability for potential damage and consequential damage that may occur.

Copyright 2012 Lenze Drives GmbH


URL for linking this AKB article: https://www.lenze.com/en-de/go/akb/201111329/1/
Contact form