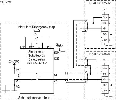
8400 motec with SO10 - Safe torque off at two controllers with electromechanical safety relay (PN-switching) - no fault exclusion for cable - performance level e
Function: When the safety function is requested, the motors are stopped according to stop category 0 of EN 60204-1. Faults have been excluded for protected cables (according to DIN EN ISO 13849-2:2003-12 and IEC 61800-5-2:2007-07). This applies to cables which are protected by a cable duct and installed inside the control cabinet. Assumption: In the example, it is not possible to exclude faults for the cable between control cabinet and 8400 motec and between the 8400 motecs. Short-circuits that may occur here result in the safe state.
Safety information / disclaimer The safety application and parameterisation notes are examples of possible subfunctions in machines. The T10D value according to DIN EN ISO 13849-1, Annex C.4.2 is only indicated if a B10D value is available and the operating time is less than 20 years. Commissioning is prohibited until the machine has been checked in accordance with the regulations set out in the relevant EU directives / national laws. The safety instructions contained in the technical documentation must be observed. Using the examples does not exempt the user from careful project planning. For possible damages and consequential damages Lenze assumes no liability to the extent permitted by law. Copyright 2019 Lenze Drives GmbH