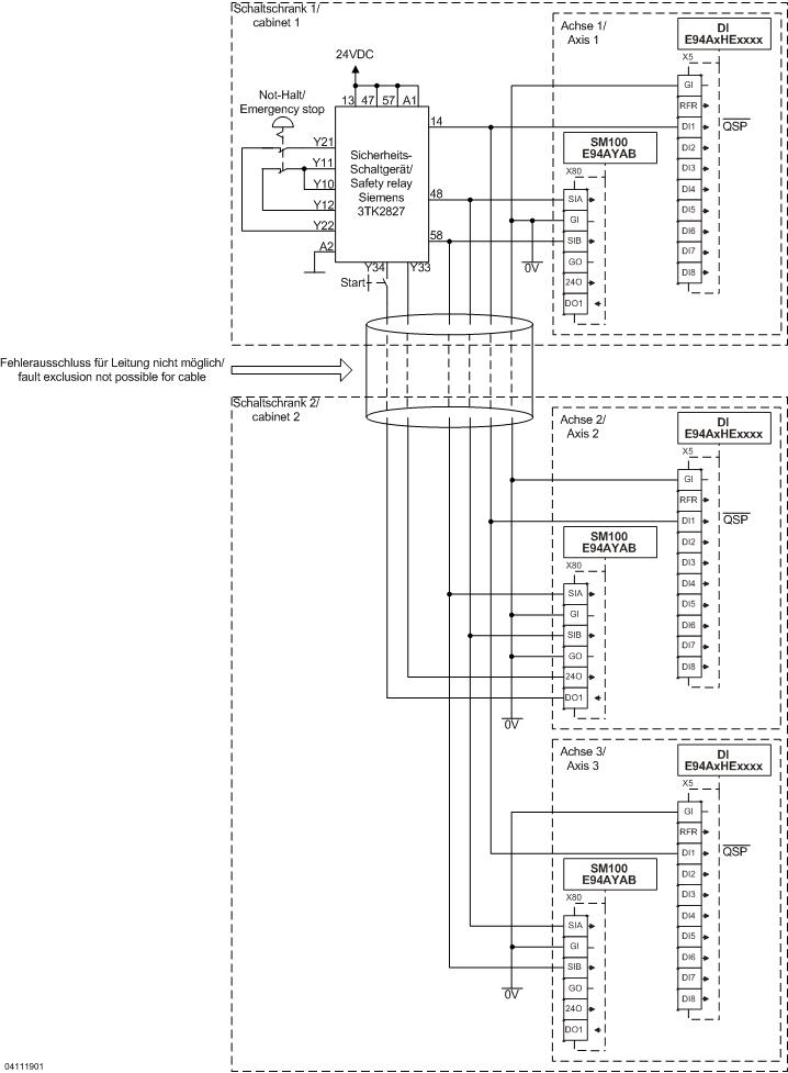
9400 with SM100 - Safe stop 1 at three controllers with electromechanical safety relay without fault exclusion - performance level d


Function:
When the safety function is requested, the motors are stopped according to stop category 1 of EN 60204-1.
The delay time of the safety relay must be higher than the QSP time.
Consider the delay time tolerances of the safety relay.
The values to be set depend on the application.
To ensure an equal load on the safety relay contacts, the SM100 inputs (SIA and SIB) are alternately connected.
The SM100 does not contribute to the probability of failure on demand (PFD) and to the probability of failure per hour (PFH). All safety-relevant faults that can occur in the SM100 result in the safe state.

 

In the example, the cable between the two control cabinets is not protected.
The cable is not multi-fault safe.
If faults cannot be excluded for cables protected according to DIN EN ISO 13849-2:2003-12 and IEC 61800-5-2:2007-07, the feedback must be used.
You only need to use the feedback of one SM100, since a fault in the cable will affect both safety modules in the second control cabinet.

All described axes are installed in the same hazardous area.

Safety information / disclaimer:

The safety application and parameterisation notes are examples of possible subfunctions in machines.

The T10D value according to DIN EN ISO 13849-1, Annex C.4.2 is only indicated if a B10D value is available and the operating time is less than 20 years.
 
Commissioning is prohibited until the machine has been checked in accordance with the regulations set out in the relevant EU directives / national laws.
 
The safety instructions contained in the technical documentation must be observed.
 
Using the examples does not exempt the user from careful project planning. For possible damages and consequential damages Lenze assumes no liability to the extent permitted by law.
 
Copyright 2019 Lenze Automation GmbH

URL for linking this AKB article: https://www.lenze.com/en-de/go/akb/201103785/1/
Contact form