9400 with SM301 - Safe stop 1 and safely-limited speed for complete machines and parts of machines - performance level e


Function:
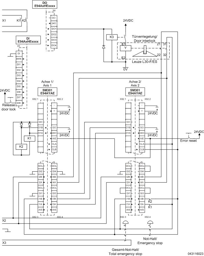
Sensors may be connected to more than one axis.
In the example, there is a 'total emergency-stop' button that shuts down both axes and, using an additional contact (X3), shuts down a function outside the machine part under consideration through one channel. The 'emergency-stop' button only switches off the machine part under consideration.
The restart inhibit is implemented in the machine part that is not under consideration.
The machine part not under consideration safely gets the status 'both SM301s free from errors' and 'both emergency-stop buttons not actuated' via the floating contacts X1.
K1 and K2 must be positively driven relays (e. g. Wago 788-384). To check if the relays work correctly, the feedback contact must be connected to a safe input of the SM301 (SD-In3 of axis 2). Then, the discrepancy time of the two relays is monitored via the safe input.
In the case of errors in other machine parts, the safety control system (not looked at) can safely switch off the two safety modules via X2.
It is possible to open the safety door locking by means of a non-safe output of the basic device and to have the status evaluated by the safety module. In this way, you can use the safe output of the SM301 for additional functions.
In the example, traversing at safely limited speed is required when the safety door is open.
If the pushbutton for opening the door lock is actuated, the door lock will be open for 2 s (if the current speed is lower than C00019). In this time, the door must be opened.
 

Safety information / disclaimer:

The safety application and parameterisation notes are examples of possible subfunctions in machines.

The T10D value according to DIN EN ISO 13849-1, Annex C.4.2 is only indicated if a B10D value is available and the operating time is less than 20 years.
 
Commissioning is prohibited until the machine has been checked in accordance with the regulations set out in the relevant EU directives / national laws.
 
The safety instructions contained in the technical documentation must be observed.
 
Using the examples does not exempt the user from careful project planning. For possible damages and consequential damages Lenze assumes no liability to the extent permitted by law.
 
Copyright 2019 Lenze Automation GmbH

URL for linking this AKB article: https://www.lenze.com/en-de/go/akb/200907936/1/
Contact form